YUAN TECHNOLOGY, INC.
PC TV ENCODER CARD
|
Card Type |
TV Card |
|
Video Chip Set |
NEC, Sony, Yamaha |
|
Highest Resolution Supported |
800 x 600 |
|
Maximum Video Memory |
640KB RAM (Factory installed) |
|
Data Bus |
8-bit ISA |
|
Video Types Supported |
XVGA |
|
Video Format Supported |
NTSC, PAL |
|
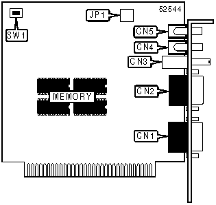
CONNECTIONS | |||
|
Function |
Label |
Function |
Label |
|
VGA in, Audio/Video Out |
CN1 |
MIC in |
CN5 |
|
VGA out |
CN2 |
Brightness control |
SW1 |
|
Volume Control |
CN3 |
Horizontal noise adjustment |
JP1 |
|
Stereo in |
CN4 | ||