JAZZ MULTIMEDIA, INC.
JAKARTA PORT OF ENTRY CARD
|
Card Type |
Video MPEG card |
|
Video Chip Set |
Unidentified |
|
Highest Resolution Supported |
1280 x 1024 |
|
Maximum Video Memory |
2MB DRAM (location unidentified) |
|
Data Bus |
8-bit ISA |
|
Video Types Supported |
XVGA |
|
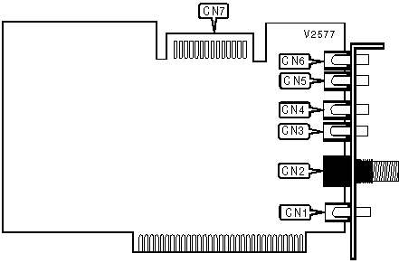
CONNECTIONS | |||
|
Function |
Label |
Function |
Label |
|
Composite video 2 in |
CN1 |
Audio 2 in |
CN5 |
|
RF in |
CN2 |
Audio 1 in |
CN6 |
|
Composite video 1 in |
CN3 |
Port of entry card connector |
CN7 |
|
S-Video in |
CN4 | ||
|
VIDEO MEMORY CONFIGURATION |
|
Note: The size, location and configuration of the DRAM is unidentified. |