ENTRE COMPUTER CENTER
ENTRE 2400B
|
Modem Type |
Data (asynchronous) |
|
Maximum Data Rate |
2400bps |
|
Data Bus |
8-bit ISA |
|
Data Modulation Protocol |
Unidentified |

|
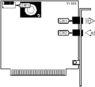
CONNECTIONS | |||
|
Purpose |
Location |
Purpose |
Location |
|
Line out |
CN1 |
Line in |
CN2 |
|
SERIAL PORT CONFIGURATION | |||
|
Port |
IRQ |
SW1/3 |
SW1/4 |
| COM1: (3F8h) |
4 |
On |
Off |
| » COM2: (2F8h) |
3 |
Off |
Off |
| COM3: (3E8h) |
4 |
On |
On |
| COM4: (2E8h) |
3 |
Off |
On |
|
AUTO ANSWER | |
| Setting |
SW1/2 |
| » Auto answer enabled |
Off |
| Auto answer disabled |
On |
|
Note: S14 holds the state of this switch at the time power turned on, or if a reset command is enabled. | |
|
DTR | |
| Setting |
SW1/1 |
| » DTR normal |
Off |
| DTR forced high |
On |
|
CD SIGNAL | |
| Setting |
SW1/5 |
| » CD normal |
Off |
| CD forced high |
On |
|
SLOT 8 INSTALLATION | |
| Setting |
SW1/6 |
| » Normal installation |
Off |
| IBM XT slot 8 installation |
On |
Proprietary AT Command Set
|
BIT-MAPPED REGISTER S13 | |||
|
Format |
AT [cmds] S13? [cmds] | ||
|
Example: |
ATS13? <CR> | ||
|
Default: |
Read-only | ||
|
Range: |
0 - 222 | ||
|
Unit: |
Bit-mapped | ||
|
Description: |
Displays extended result codes, parity, data bits, and buffer overrflow. | ||
|
Bit | Value |
Function | |
|
0 | 0 |
Not used. | |
|
1 | 0 1 |
Extended result codes disabled. Extended result codes enabled. | |
|
2 | 0 1 |
Parity disabled. Parity enabled. | |
|
3 | 0 1 |
Odd parity. Even parity. | |
|
4 | 0 1 |
7 data bits. 8 data bits. | |
|
5 |
N/A |
Not used. | |
|
6 | 0 1 |
Buffer is not full. Buffer overflow; ERROR result code sent. | |
|
7 | 0 1 |
Space parity. Mark parity. | |
|
BIT-MAPPED REGISTER S14 | |||
|
Format |
AT [cmds] S14? [cmds] | ||
|
Example: |
ATS14? <CR> | ||
|
Default: |
Read-only | ||
|
Range: |
0 - 239 | ||
|
Unit: |
Bit-mapped | ||
|
Description: |
Displays the state of SW1/2, echo, result codes, tone/pulse dial, and speaker. | ||
|
Bit | Value |
Function | |
|
0 | 0 1 |
SW1/2 off (Auto-answer). SW1/2 on(Auto-answer). | |
|
1 | 0 1 |
Echo disabled. Echo enabled. | |
|
2 | 0 1 |
Result codes enabled. Result codes disabled. | |
|
3 | 0 1 |
Numeric result codes. Verbose result codes. | |
|
4 | 0 |
Not used. | |
|
5 | 0 1 |
Tone dial Pulse dial | |
|
6 | 0 1 |
Speaker disabled Speaker enabled until carrier signal is detected. | |
|
7 | 0 1 |
Speaker disabled. Speaker enabled. | |
|
BIT-MAPPED REGISTER S15 | |||
|
Format |
AT [cmds] S15? [cmds] | ||
|
Example: |
ATS15? <CR> | ||
|
Default: |
Read-only | ||
|
Range: |
0 - 127 | ||
|
Unit: |
Bit-mapped | ||
|
Description: |
Displays baud rate, answer/originate, duplex, CD signal. | ||
|
Bit | Value |
Function | |
|
1, 0 | 00 01 10 11 |
2400bps. 110bps. 300bps. 1200bps. | |
|
2 |
0 1 |
Answer mode. Originate mode. | |
|
3 |
0 1 |
Half duplex. Full duplex. | |
|
5, 4 | 00 01 10 11 |
2400bps. 110bps. 300bps. 1200bps. | |
|
6 |
0 1 |
CD normal. CD forced high. | |
|
TEST MODES | |||
|
Format |
AT [cmds] S16? [cmds] | ||
|
Example: |
ATS16? <CR> | ||
|
Default: |
Read-only | ||
|
Range: |
0-125 | ||
|
Unit: |
Bit-mapped | ||
|
Description: |
Controls loopback tests, analog, digital, remote digital, and self tests. | ||
|
Bit |
Value |
Function | |
|
0 |
0 1 |
Local analog loopback not in progress. Local analog loopback in progress. | |
|
1 |
0 |
Not used. | |
|
2 |
0 1 |
Local digital loopback not in progress. Local digital loopback in progress. | |
|
3 |
0 1 |
Modem not in remote digital loopback. Remote digital loopback in progress. | |
|
4 |
0 1 |
Remote digital loopback not requested. Remote digital loopback requested. | |
|
5 |
0 1 |
Remote digital loopback w/ self-test not in progress. Remote digital loopback w/ self-test in progress. | |
|
6 |
0 1 |
Local analog loopback w/ self-test not in progress. Local analog loopback w/ self-test in progress. | |