WESTERN DIGITAL CORPORATION
ETHERCARD PLUS10T
|
NIC Type |
Ethernet |
|
Network Transfer Rate |
10Mbps |
|
Data Bus |
8-bit ISA |
|
Topology |
Linear Bus, Star |
|
Wiring Type |
Unshielded twisted pair AUI transceiver via DB-15 port |
|
Boot ROM |
Available |
|
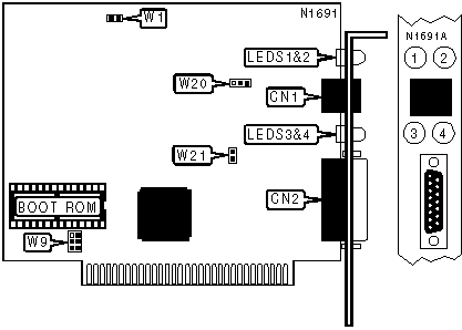
CONNECTIONS | |||
|
Function |
Label |
Function |
Label |
|
Unshielded twisted pair port |
CN1 |
AUI transceiver via DB-15 port |
CN2 |
|
USER CONFIGURABLE SETTINGS | |||
|
Function |
Label |
Position | |
| » |
Clear configuration disabled |
W1 |
Open |
|
Clear configuration enabled |
W1 |
Closed | |
| » |
Automatic polarity correction enabled |
W20 |
Pins 1 & 2 closed |
|
Automatic polarity correction disabled |
W20 |
Pins 2 & 3 closed | |
| » |
Link integrity test enabled |
W21 |
Open |
|
Link integrity test disabled |
W21 |
Closed | |
|
ROM SIZE SELECTION | ||
|
Size |
W9 | |
| » |
16KB |
Pins 1 & 2, 4 & 5 closed |
|
32KB |
Pins 2 & 3, 4 & 5 closed | |
|
64KB |
Pins 2& 3, 5 & 6 closed | |
|
DIAGNOSTIC LED(S) | |||
|
LED |
Color |
Status |
Condition |
|
LED1 |
Green |
On |
Polarity is good on 10Base-T |
|
LED1 |
Green |
Off |
Polarity is broken on 10Base-T |
|
LED2 |
Green |
On |
10Base-T Link Integrity mode is selected |
|
LED2 |
Green |
Off |
10Base-T Link integrity mode is not selected |
|
LED3 |
Yellow |
On |
Data is being transmitted |
|
LED3 |
Yellow |
Off |
Data is not being transmitted |
|
LED4 |
Green |
On |
Data is being received |
|
LED4 |
Green |
Off |
Data is not being received |