VISTACOM, INC.
CP BOARD, DCT BOARD, NI/11 BOARD, NI/35 BOARD, NI/MVIP BOARD
|
Card Type |
Serial/Sound coding |
|
Chipset Controller |
Texas Instruments |
|
I/O Options |
Serial ports (2) |
|
Maximum DRAM |
N/A |

|
CONNECTIONS |
|||
|
Purpose |
Location |
Purpose |
Location |
|
9-pin D-connector |
XP2 |
40-pin network interface connector |
XP5 |
|
9-pin D-connector |
XP3 |
40-pin audio codec connector |
XP6 |
|
26-pin connector |
XP4 |
16-pin analog audio/video connector |
XP7 |
|
BASE I/O ADDRESS SELECTION |
|||
|
Address |
W7 |
W8 |
W9 |
|
» 300h |
Closed |
Closed |
Open |
|
200h |
Closed |
Closed |
Closed |
|
220h |
Open |
Closed |
Closed |
|
240h |
Closed |
Open |
Closed |
|
260h |
Open |
Open |
Closed |
|
320h |
Open |
Closed |
Open |
|
340h |
Closed |
Open |
Open |
|
360h |
Open |
Open |
Open |
|
INTERRUPT SELECTION |
||||||
|
IRQ |
W1 |
W2 |
W3 |
W4 |
W5 |
|
|
» |
15 |
Open |
Open |
Open |
Open |
Closed |
|
|
9 |
Open |
Open |
Open |
Closed |
Open |
|
|
10 |
Closed |
Open |
Open |
Open |
Open |
|
|
11 |
Open |
Closed |
Open |
Open |
Open |
|
|
12 |
Open |
Open |
Closed |
Open |
Open |
DCT BOARD
|
Card Type |
Video/Sound coding |
|
Chipset Controller |
Texas Instruments |
|
I/O Options |
Audio in, audio out, microphone in, telephone handset, video port |
|
Maximum DRAM |
N/A |

|
CONNECTIONS |
|||
|
Purpose |
Location |
Purpose |
Location |
|
2-pin microphone connector |
W3 |
16-pin audio/video connector |
XP6 |
|
15-pin analog video port |
XP2 |
26-pin daughter board connector |
XP9 |
|
Audio in |
XP3 |
26-pin daughter board connector |
XP10 |
|
Audio out |
XP4 |
10-pin connector |
XP11 |
|
Telephone handset connector |
XP5 |
|
|
|
BASE I/O ADDRESS SELECTION |
||
|
Address |
W1 |
W2 |
|
»320h |
Closed |
Open |
|
300h |
Closed |
Closed |
|
310h |
Open |
Closed |
|
330h |
Open |
Open |
|
FACTORY CONFIGURED - DO NOT ALTER |
|
|
Jumper |
Position |
|
W7 |
N/A |
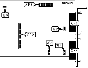
NI/11 BOARD
|
NIC Type |
ISDN |
|
Transfer Rate |
56/64/112/128/768Kbps |
|
Data Bus |
Daughterboard |
|
Topology |
Peer-Peer |
|
Wiring Type |
Unshielded twisted pair |
|
Boot ROM |
Not available |

|
CONNECTIONS |
|||
|
Purpose |
Location |
Purpose |
Location |
|
2-pin connector |
W2 |
40-pin interface connector |
XP2 |
|
2-pin connector |
W4 |
16-pin synchronous connector |
XP3 |
|
26-pin network interface connector |
XP1 |
26-pin network interface connector |
XP4 |
|
DIALING SELECT |
|
|
Mode |
W6 |
|
» DTMF |
Closed |
|
Non-DTMF |
Open |
|
FACTORY CONFIGURED - DO NOT ALTER |
|
|
Jumper |
Position |
|
W7 |
Open |
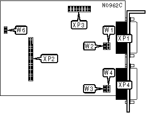
NI/35 BOARD
|
NIC Type |
ISDN |
|
Transfer Rate |
56/64/112/128/768Kbps |
|
Data Bus |
Daughterboard |
|
Topology |
Peer-Peer |
|
Wiring Type |
Unshielded twisted pair |
|
Boot ROM |
Not available |

|
CONNECTIONS |
|||
|
Purpose |
Location |
Purpose |
Location |
|
2-pin connector |
W1 |
26-pin network interface connector |
XP1 |
|
2-pin connector |
W2 |
40-pin interface connector |
XP2 |
|
2-pin connector |
W3 |
16-pin synchronous connector |
XP3 |
|
2-pin connector |
W4 |
26-pin network interface connector |
XP4 |
|
FACTORY CONFIGURED - DO NOT ALTER |
|
|
Jumper |
Position |
|
W6 |
N/A |
NI/MVIP BOARD
|
NIC Type |
ISDN |
|
Transfer Rate |
56/64/112/128/768Kbps |
|
Data Bus |
Daughterboard |
|
Topology |
Peer-Peer |
|
Wiring Type |
Unshielded twisted pair |
|
Boot ROM |
Not available |

|
CONNECTIONS |
|||
|
Purpose |
Location |
Purpose |
Location |
|
40-pin interface connector |
XP2 |
40-pin interface connector |
XP4 |
|
37-pin interface connector |
XP3 |
|
|
|
BASE I/O ADDRESS SELECTION |
|||
|
Address |
W3 |
W2 |
W1 |
|
» 300h |
Closed |
Closed |
Open |
|
200h |
Closed |
Closed |
Closed |
|
220h |
Open |
Closed |
Closed |
|
240h |
Closed |
Open |
Closed |
|
260h |
Open |
Open |
Closed |
|
320h |
Open |
Closed |
Open |
|
340h |
Closed |
Open |
Open |
|
360h |
Open |
Open |
Open |
|
MISCELLANEOUS TECHNICAL NOTE |
|
Models AC/EC, AC16, MA, NI/E1, and NI/T1 are jumperless. The AC/EC, AC16, and MA may be found as V9999 records as separate entries in the I/O database, and the NI/E1 and NI/T1 may be found as N9999 records as separate entries in the NIC database. |