TIARA COMPUTER SYSTEMS, INC.
ARCNET LanCard PC
|
NIC Type |
ARCnet |
|
Transfer Rate |
2.5Mbps |
|
Data Bus |
8-bit ISA |
|
Topology |
Star |
|
Wiring Type |
RG-62A/U 93ohm coaxial |
|
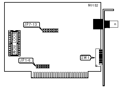
Boot ROM |
Available |
|
NODE ADDRESS | ||||||||
|
Node |
SW1/1 |
SW1/2 |
SW1/3 |
SW1/4 |
SW1/5 |
SW1/6 |
SW1/7 |
SW1/8 |
|
0 |
- |
- |
- |
- |
- |
- |
- |
- |
|
1 |
On |
Off |
Off |
Off |
Off |
Off |
Off |
Off |
|
2 |
Off |
Off |
Off |
Off |
Off |
Off |
On |
Off |
|
3 |
Off |
Off |
Off |
Off |
Off |
Off |
On |
On |
|
4 |
Off |
Off |
Off |
Off |
Off |
On |
Off |
Off |
|
251 |
On |
On |
On |
On |
On |
Off |
On |
On |
|
252 |
On |
On |
On |
On |
On |
On |
Off |
Off |
|
253 |
On |
On |
On |
On |
On |
On |
Off |
On |
|
254 |
On |
On |
On |
On |
On |
On |
On |
Off |
|
255 |
On |
On |
On |
On |
On |
On |
On |
On |
|
Note:Node address 0 is used for messaging between nodes and must not be used. A total of 255 node address settings are available. The switches are a binary representation of the decimal node addresses. Switch 1 is the Least Significant Bit and switch 8 is the Most Significant Bit. The switches have the following decimal values: switch 1=1, 2=2, 3=4, 4=8, 5=16, 6=32, 7=64, 8=128. Turn on the switches and add the values of the on switches to obtain the correct node address. (On=1, off=0) | ||||||||
|
BOOT ROM | ||
|
Setting |
JP7 | |
| » |
Disabled |
Open |
|
Enabled |
Closed | |
|
INTERRUPT REQUEST | |||||||
|
IRQ |
JP1 |
JP2 |
JP3 |
JP4 |
JP5 |
JP6 | |
| » |
2 |
Closed |
Open |
Open |
Open |
Open |
Open |
|
3 |
Open |
Closed |
Open |
Open |
Open |
Open | |
|
4 |
Open |
Open |
Closed |
Open |
Open |
Open | |
|
5 |
Open |
Open |
Open |
Closed |
Open |
Open | |
|
6 |
Open |
Open |
Open |
Open |
Closed |
Open | |
|
7 |
Open |
Open |
Open |
Open |
Open |
Closed | |
|
RIM BUFFER ADDRESS CONFIGURATION | ||||
|
Buffer Address |
JP8 |
JP9 |
JP10 | |
|
C0000h |
Closed |
Closed |
Closed | |
|
C4000h |
Open |
Closed |
Closed | |
|
CC000h |
Closed |
Open |
Closed | |
| » |
D0000h |
Open |
Open |
Closed |
|
D4000h |
Closed |
Closed |
Open | |
|
D8000h |
Open |
Closed |
Open | |
|
DC000h |
Closed |
Open |
Open | |
|
E0000h |
Open |
Open |
Open | |
|
I/O BASE ADDRESS | ||||
|
Address |
JP11 |
JP12 |
JP13 | |
|
260h |
Closed |
Closed |
Closed | |
|
290h |
Open |
Closed |
Closed | |
| » |
2E0h |
Closed |
Open |
Closed |
|
2F0h |
Open |
Open |
Closed | |
|
300h |
Closed |
Closed |
Open | |
|
350h |
Open |
Closed |
Open | |
|
380h |
Closed |
Open |
Open | |
|
3E0h |
Open |
Open |
Open | |