YOUNG MICRO SYSTEMS, INC.
TC430HX
|
Processor |
Pentium |
|
Processor Speed |
75/90/100/120/133/150/166/180/200MHz |
|
Chip Set |
Intel |
|
Video Chip Set |
S3 |
|
Maximum Onboard Memory |
128MB (EDO supported) |
|
Maximum Video Memory |
2MB |
|
Cache |
256KB |
|
BIOS |
Unidentified |
|
Dimensions |
330mm x 218mm |
|
I/O Options |
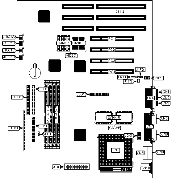
32-bit PCI slots (4), floppy drive interface, green PC connector, IDE interfaces (2), parallel port, PS/2 mouse port, serial ports (2), VESA feature connector, VGA port, IR connector, USB connectors (2), MIDI/game port, line out connector, line in connector, microphone connector, CD-ROM connector, wavetable connector |
|
NPU Options |
None |
|
CONNECTIONS | |||
|
Purpose |
Location |
Purpose |
Location |
|
Microphone connector |
CN1 |
Serial port 2 |
J2K1 |
|
Line in connector |
CN2 |
VESA feature connector |
J5G1 |
|
Line out connector |
CN3 |
IDE interface 1 |
J9G1 |
|
MIDI/game port |
CN4 |
Chassis fan power |
J9L1 |
|
VGA port |
CN5 |
Floppy drive interface |
J9K1 |
|
Serial port 1 |
CN6 |
IDE interface 2 |
J10G1 |
|
Parallel port |
CN7 |
Power on connector |
J10K1 pins 1 & 2 |
|
USB connector |
CN8 |
Green PC connector |
J10K1 pins 3 & 4 |
|
USB connector |
CN9 |
IR connector |
J10K1 pins 6 - 11 |
|
PS/2 mouse port |
CN10 |
IDE interface LED |
J10K1 pins 13 - 16 |
|
Audio connector |
CN11 |
Green PC LED |
J10K1 pins 18 - 21 |
|
Wave table connector |
J1F1 |
Reset switch |
J10K1 pins 22 & 23 |
|
CD-ROM connector |
J1F2 |
Speaker |
J10K1 pins 24 - 27 |
|
Modem connector |
J1F3 |
32-bit PCI slots |
PC1 - PC4 |
|
USER CONFIGURABLE SETTINGS | |||
|
Function |
Label |
Position | |
|
Password normal operation |
J10C1A |
Pins 1 & 2 closed | |
|
Password clear |
J10C1A |
Pins 2 & 3 closed | |
|
» |
CMOS memory normal operation |
J10C1A |
Pins 4 & 5 closed |
|
CMOS memory clear |
J10C1A |
Pins 5 & 6 closed | |
|
Setup access enabled |
J10C1B |
Pins 1 & 2 closed | |
|
Setup access disabled |
J10C1B |
Pins 2 & 3 closed | |
|
DRAM CONFIGURATION | ||
|
Size |
Bank 0 |
Bank 1 |
|
8MB |
(2) 1M x 32 |
None |
|
16MB |
(2) 2M x 32 |
None |
|
16MB |
(2) 1M x 32 |
(2) 1M x 32 |
|
24MB |
(2) 2M x 32 |
(2) 1M x 32 |
|
24MB |
(2) 1M x 32 |
(2) 2M x 32 |
|
32MB |
(2) 4M x 32 |
None |
|
32MB |
(2) 2M x 32 |
(2) 2M x 32 |
|
40MB |
(2) 4M x 32 |
(2) 1M x 32 |
|
40MB |
(2) 1M x 32 |
(2) 4M x 32 |
|
48MB |
(2) 4M x 32 |
(2) 2M x 32 |
|
48MB |
(2) 2M x 32 |
(2) 4M x 32 |
|
64MB |
(2) 8M x 32 |
None |
|
64MB |
(2) 4M x 32 |
(2) 4M x 32 |
|
72MB |
(2) 8M x 32 |
(2) 1M x 32 |
|
DRAM CONFIGURATION (CON’T) | ||
|
Size |
Bank 0 |
Bank 1 |
|
72MB |
(2) 1M x 32 |
(2) 8M x 32 |
|
80MB |
(2) 8M x 32 |
(2) 2M x 32 |
|
80MB |
(2) 2M x 32 |
(2) 8M x 32 |
|
96MB |
(2) 8M x 32 |
(2) 4M x 32 |
|
96MB |
(2) 4M x 32 |
(2) 8M x 32 |
|
128MB |
(2) 8M x 32 |
(2) 8M x 32 |
|
Note: Board accepts EDO memory. Board also accepts x 32 SIMMs | ||
|
CACHE CONFIGURATION | |
|
Size |
Bank 0 |
|
256KB |
(2) 32K x 32 |
|
VIDEO MEMORY CONFIGURATION | ||
|
Size |
Bank 0 |
Bank 1 |
|
1MB |
1MB |
None |
|
2MB |
1MB |
(2) 256K x 16 |
|
Note: Bank 0 is factory installed and is not configurable. | ||
|
CPU SPEED SELECTION | ||||
|
CPU speed |
Clock speed |
Multiplier |
J10C1C |
J10C1D |
|
75MHz |
50MHz |
1.5x |
2 & 3, 5 & 6 |
1 & 2, 4 & 5 |
|
90MHz |
60MHz |
1.5x |
2 & 3, 4 & 5 |
1 & 2, 4 & 5 |
|
100MHz |
66MHz |
1.5x |
1 & 2, 5 & 6 |
1 & 2, 4 & 5 |
|
120MHz |
60MHz |
2x |
2 & 3, 4 & 5 |
2 & 3, 4 & 5 |
|
133MHz |
66MHz |
2x |
1 & 2, 5 & 6 |
2 & 3, 4 & 5 |
|
150MHz |
60MHz |
2.5x |
2 & 3, 4 & 5 |
2 & 3, 5 & 6 |
|
166MHz |
66MHz |
2.5x |
1 & 2, 5 & 6 |
2 & 3, 5 & 6 |
|
180MHz |
60MHz |
3x |
2 & 3, 4 & 5 |
1 & 2, 5 & 6 |
|
200MHz |
66MHz |
3x |
1 & 2, 5 & 6 |
1 & 2, 5 & 6 |
|
Note: Pins designated should be in the closed position. | ||||