SOYO COMPUTER CO., LTD.
6KD
|
Device Type |
Mainboard |
|
Processor |
Pentium II |
|
Processor Speed |
233/266/300/333MHz |
|
Chip Set |
Intel |
|
Video Chip Set |
None |
|
Maximum Onboard Memory |
1GB (EDO & SDRAM supported) |
|
Maximum Video Memory |
1MB |
|
Cache |
256/512KB (located on Pentium II CPU) |
|
BIOS |
AMI |
|
Dimensions |
305mm x 245mm |
|
I/O Options |
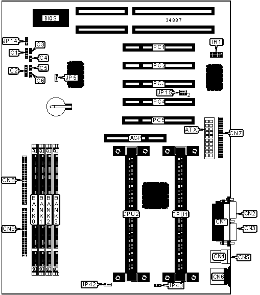
32-bit PCI slots (5), floppy drive interface, IDE interfaces (2), parallel port, PS/2 mouse port, serial ports (2), IR connector, USB connectors (2), ATX power connector, AGP slot |
|
NPU Options |
None |
|
CONNECTIONS | |||
|
Purpose |
Location |
Purpose |
Location |
|
AGP slot |
AGP |
USB connector 2 |
CN5 |
|
ATX power connector |
ATX |
PS/2 mouse port |
CN6 |
|
Speaker |
C1 |
Floppy drive interface |
CN7 |
|
Power LED & keylock |
C2 |
IDE interface 1 |
CN8 |
|
IDE interface LED |
C3 |
IDE interface 2 |
CN9 |
|
Turbo LED |
C4 |
IR connector |
IR1 |
|
Soft off power supply |
C5 |
Wake on LAN connector |
J44 |
|
Reset switch |
C6 |
PCI audio card connector |
JP15 |
|
Parallel port |
CN1 |
CPU fan power |
JP42 |
|
Serial port 2 |
CN2 |
CPU fan power |
JP43 |
|
Serial port 1 |
CN3 |
32-bit PCI slots |
PC1 – PC5 |
|
USB connector 1 |
CN4 | ||
|
Note: The location of J44 is unidentified. | |||
|
USER CONFIGURABLE SETTINGS | |||
|
Function |
Label |
Position | |
|
» |
CMOS memory normal operation |
JP5 |
Pins 1 & 2 closed |
|
CMOS memory clear |
JP5 |
Pins 2 & 3 closed | |
|
» |
Factory configured - do not alter |
JP14 |
Unidentified |
|
DIMM CONFIGURATION | ||||
|
Size |
Bank 0 |
Bank 1 |
Bank 2 |
Bank 3 |
|
8MB |
(1) 1M x 64 |
None |
None |
None |
|
16MB |
(1) 2M x 64 |
None |
None |
None |
|
16MB |
(1) 1M x 64 |
(1) 1M x 64 |
None |
None |
|
24MB |
(1) 2M x 64 |
(1) 1M x 64 |
None |
None |
|
24MB |
(1) 1M x 64 |
(1) 1M x 64 |
(1) 1M x 64 |
None |
|
32MB |
(1) 4M x 64 |
None |
None |
None |
|
32MB |
(1) 2M x 64 |
(1) 2M x 64 |
None |
None |
|
32MB |
(1) 1M x 64 |
(1) 1M x 64 |
(1) 1M x 64 |
(1) 1M x 64 |
|
40MB |
(1) 4M x 64 |
(1) 1M x 64 |
None |
None |
|
48MB |
(1) 4M x 64 |
(1) 2M x 64 |
None |
None |
|
48MB |
(1) 2M x 64 |
(1) 2M x 64 |
(1) 2M x 64 |
None |
|
64MB |
(1) 2M x 64 |
(1) 2M x 64 |
(1) 2M x 64 |
(1) 2M x 64 |
|
64MB |
(1) 8M x 64 |
None |
None |
None |
|
64MB |
(1) 4M x 64 |
(1) 4M x 64 |
None |
None |
|
72MB |
(1) 8M x 64 |
(1) 1M x 64 |
None |
None |
|
DIMM CONFIGURATION (CON’T) | ||||
|
Size |
Bank 0 |
Bank 1 |
Bank 2 |
Bank 3 |
|
80MB |
(1) 8M x 64 |
(1) 2M x 64 |
None |
None |
|
96MB |
(1) 8M x 64 |
(1) 4M x 64 |
None |
None |
|
96MB |
(1) 4M x 64 |
(1) 4M x 64 |
(1) 4M x 64 |
None |
|
128MB |
(1) 16M x 64 |
None |
None |
None |
|
128MB |
(1) 8M x 64 |
(1) 8M x 64 |
None |
None |
|
128MB |
(1) 4M x 64 |
(1) 4M x 64 |
(1) 4M x 64 |
(1) 4M x 64 |
|
136MB |
(1) 16M x 64 |
(1) 1M x 64 |
None |
None |
|
144MB |
(1) 16M x 64 |
(1) 2M x 64 |
None |
None |
|
152MB |
(1) 16M x 64 |
(1) 1M x 64 |
(1) 1M x 64 |
(1) 1M x 64 |
|
160MB |
(1) 16M x 64 |
(1) 4M x 64 |
None |
None |
|
176MB |
(1) 16M x 64 |
(1) 2M x 64 |
(1) 2M x 64 |
(1) 2M x 64 |
|
192MB |
(1) 16M x 64 |
(1) 8M x 64 |
None |
None |
|
192MB |
(1) 8M x 64 |
(1) 8M x 64 |
(1) 8M x 64 |
None |
|
224MB |
(1) 16M x 64 |
(1) 4M x 64 |
(1) 4M x 64 |
(1) 4M x 64 |
|
256MB |
(1) 32M x 64 |
None |
None |
None |
|
256MB |
(1) 16M x 64 |
(1) 16M x 64 |
None |
None |
|
256MB |
(1) 8M x 64 |
(1) 8M x 64 |
(1) 8M x 64 |
(1) 8M x 64 |
|
272MB |
(1) 16M x 64 |
(1) 16M x 64 |
(1) 1M x 64 |
(1) 1M x 64 |
|
280MB |
(1) 32M x 64 |
(1) 1M x 64 |
(1) 1M x 64 |
(1) 1M x 64 |
|
288MB |
(1) 16M x 64 |
(1) 16M x 64 |
(1) 2M x 64 |
(1) 2M x 64 |
|
304MB |
(1) 32M x 64 |
(1) 2M x 64 |
(1) 2M x 64 |
(1) 2M x 64 |
|
320MB |
(1) 16M x 64 |
(1) 16M x 64 |
(1) 4M x 64 |
(1) 4M x 64 |
|
320MB |
(1) 16M x 64 |
(1) 8M x 64 |
(1) 8M x 64 |
(1) 8M x 64 |
|
352MB |
(1) 32M x 64 |
(1) 4M x 64 |
(1) 4M x 64 |
(1) 4M x 64 |
|
384MB |
(1) 16M x 64 |
(1) 16M x 64 |
(1) 16M x 64 |
None |
|
448MB |
(1) 32M x 64 |
(1) 8M x 64 |
(1) 8M x 64 |
(1) 8M x 64 |
|
512MB |
(1) 32M x 64 |
(1) 32M x 64 |
None |
None |
|
512MB |
(1) 16M x 64 |
(1) 16M x 64 |
(1) 16M x 64 |
(1) 16M x 64 |
|
640MB |
(1) 32M x 64 |
(1) 16M x 64 |
(1) 16M x 64 |
(1) 16M x 64 |
|
768MB |
(1) 32M x 64 |
(1) 32M x 64 |
(1) 32M x 64 |
None |
|
1024MB |
(1) 32M x 64 |
(1) 32M x 64 |
(1) 32M x 64 |
(1) 32M x 64 |
|
Note: Board accepts EDO & SDRAM memory. Maximum EDO is 1GB. Maximum SDRAM is 512MB. | ||||
|
CACHE CONFIGURATION |
|
Note: 256KB/512KB cache is located on the Pentium II CPU. |