PC CHIPS MANUFACTURING, LTD.
M726
|
Device Type |
Mainboard |
|
Processor |
Pentium II/ Celeron |
|
Processor Speed |
233/266/300/333/350/366/400/450/500MHz |
|
Chip Set |
Unidentified |
|
Audio Chip Set |
3D Sound Pro |
|
Maximum Onboard Memory |
768MB (SDRAM supported) |
|
Cache |
0/128/256/512KB (located on the CPU) |
|
BIOS |
AMI |
|
Dimensions |
220mm x 220mm |
|
I/O Options |
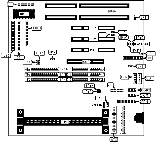
32-bit PCI slots (3), floppy drive interface, IDE interfaces (2), parallel port, PS/2 mouse interface, serial ports (2), ATX power connector, AGP slot, audio in - CD-ROMs (2) |

|
CONNECTIONS |
|||
|
Purpose |
Location |
Purpose |
Location |
|
AGP slot |
AGP |
Sound and game header |
J3 |
|
ATX power connector |
ATX |
Speaker |
J4/pins 1, 3, 5, 7 |
|
Audio in - CD-ROM |
CD1 |
Power LED & keylock |
J4/pins 2, 4, 6, 8, 10 |
|
Audio in - CD-ROM |
CD2 |
Turbo LED |
J4/pins 13 & 14 |
|
Serial port 1 |
COM1 |
IDE interface LED |
J4/pins 15 & 16 |
|
Serial port 2 |
COM2 |
Reset switch |
J4/pins 17 & 18 |
|
Chassis fan power |
FANC |
Green PC LED |
J4/pins 19 & 20 |
|
CPU fan power |
FANP |
Digital audio in |
JP6 |
|
Floppy drive interface |
FDC1 |
Digital audio out |
JP7 |
|
IDE interface 1 |
IDE1 |
32-bit PCI slots |
PC1 - PC3 |
|
IDE interface 2 |
IDE2 |
Parallel port |
PRN1 |
|
ATX form card connector |
J2 |
|
|
|
USER CONFIGURABLE SETTINGS |
|||
|
Function |
Label |
Position |
|
|
» |
CMOS memory normal operation |
JP2 |
Pins 1 & 2 closed |
|
|
CMOS memory clear |
JP2 |
Pins 2 & 3 closed |
|
» |
Microphone type select standard |
JP3 |
Open |
|
|
Microphone type select special |
JP3 |
Closed |
|
» |
Onboard sound pro enabled |
JP8 |
Pins 2 & 3 closed |
|
|
Onboard sound pro disabled |
JP8 |
Pins 1 & 2 closed |
|
DIMM CONFIGURATION |
|||
|
Size |
Bank 0 |
Bank 1 |
Bank 2 |
|
8 MB |
1 M x 64 |
None |
None |
|
16 MB |
1 M x 64 |
1 M x 64 |
None |
|
16 MB |
2 M x 64 |
None |
None |
|
24 MB |
1 M x 64 |
1 M x 64 |
1 M x 64 |
|
32 MB |
2 M x 64 |
2 M x 64 |
None |
|
32 MB |
4 M x 64 |
None |
None |
|
40 MB |
2 M x 64 |
2 M x 64 |
1 M x 64 |
|
48 MB |
2 M x 64 |
2 M x 64 |
2 M x 64 |
|
64 MB |
4 M x 64 |
4 M x 64 |
None |
|
64 MB |
8 M x 64 |
None |
None |
|
80 MB |
4 M x 64 |
4 M x 64 |
2 M x 64 |
|
96 MB |
4 M x 64 |
4 M x 64 |
4 M x 64 |
|
128 MB |
8 M x 64 |
8 M x 64 |
None |
|
128 MB |
16 M x 64 |
None |
None |
|
130 MB |
8 M x 64 |
8 M x 64 |
4 M x 64 |
|
192 MB |
8 M x 64 |
8 M x 64 |
8 M x 64 |
|
256 MB |
16 M x 64 |
16 M x 64 |
None |
|
256 MB |
32 M x 64 |
None |
None |
|
320 MB |
16 M x 64 |
16 M x 64 |
8 M x 64 |
|
384 MB |
16 M x 64 |
16 M x 64 |
16 M x 64 |
|
512 MB |
32 M x 64 |
32 M x 64 |
None |
|
640 MB |
32 M x 64 |
32 M x 64 |
16 M x 64 |
|
768 MB |
32 M x 64 |
32 M x 64 |
32 M x 64 |
|
DIMM VOLTAGE CONFIGURATION |
|||
|
Voltage |
JP1A |
JP1B |
|
|
3.3v |
Pins 1 & 2 closed |
Pins 1 & 2 closed |
|
|
5v |
Pins 2 & 3 closed |
Pins 2 & 3 closed |
|
|
CACHE CONFIGURATION |
|
Note: 256KB/512KB cache is located on the Pentium II CPU. 128KB cache is located on the Celeron 300A & 333 CPU. |
|
CPU MULTIPLIER SELECTION |
||||
|
Multiplier |
JP4A |
JP4B |
JP4C |
JP4D |
|
2x |
Closed |
Closed |
Closed |
Closed |
|
2.5x |
Open |
Closed |
Closed |
Closed |
|
3x |
Closed |
Closed |
Open |
Closed |
|
3.5x |
Open |
Closed |
Open |
Closed |
|
4x |
Closed |
Closed |
Closed |
Open |
|
4.5x |
Open |
Closed |
Closed |
Open |
|
5x |
Closed |
Closed |
Open |
Open |
|
5.5x |
Open |
Closed |
Open |
Open |
|
6x |
Closed |
Open |
Closed |
Closed |
|
6.5x |
Open |
Open |
Closed |
Closed |
|
7x |
Closed |
Open |
Open |
Closed |
|
7.5x |
Open |
Open |
Open |
Closed |
|
8x |
Closed |
Open |
Closed |
Open |
|
CPU FREQUENCY SELECTION |
|||
|
Speed |
JP5 |
JP10 |
JP11 |
|
66MHz |
Pins 2 & 3 closed |
Pins 1 & 2 closed |
Pins 1 & 2 closed |
|
100MHz |
Pins 1 & 2 closed |
Pins 1 & 2 closed |
Pins 1 & 2 closed |
|
112MHz |
Pins 1 & 2 closed |
Pins 1 & 2 closed |
Pins 2 & 3 closed |
|
133MHz |
Pins 1 & 2 closed |
Pins 2 & 3 closed |
Pins 1 & 2 closed |