MICRONICS COMPUTERS, INC.
D5CUB PCI/ISA
|
Processor |
CX M1/Pentium |
|
Processor Speed |
75/90/100/110/120/133/150/166/200MHz |
|
Chip Set |
Intel |
|
Video Chip Set |
None |
|
Maximum Onboard Memory |
256MB (EDO supported) |
|
Maximum Video Memory |
None |
|
Cache |
256/512KB |
|
BIOS |
Award |
|
Dimensions |
254mm x 218mm |
|
I/O Options |
32-bit PCI slots (4), floppy drive interface, IDE interfaces (2), parallel port, PS/2 mouse interface, serial ports (2), sound connector slot |
|
NPU Options |
None |
|
CONNECTIONS | |||
|
Purpose |
Location |
Purpose |
Location |
|
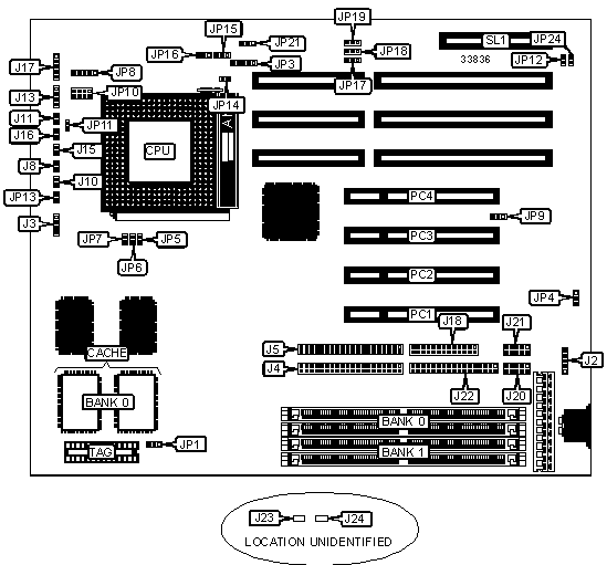
PS/2 mouse port |
J2 |
Turbo switch |
J16 |
|
External battery |
J3 |
Power LED & keylock |
J17 |
|
IDE interface 2 |
J4 |
Parallel port |
J18 |
|
IDE interface 1 |
J5 |
Serial port 1 |
J20 |
|
IDE interface LED |
J8 |
Serial port 2 |
J21 |
|
Reset switch |
J11 |
Floppy drive interface |
J22 |
|
Speaker |
J13 |
32-bit PCI slots |
PC1 - PC4 |
|
Turbo LED |
J15 |
Sound connector slot |
SL1 |
|
USER CONFIGURABLE SETTINGS | |||
|
Function |
Label |
Position | |
|
» |
Factory configured - do not alter |
J10 |
Unidentified |
|
» |
Factory configured - do not alter |
J23 |
Unidentified |
|
» |
Factory configured - do not alter |
J24 |
Unidentified |
|
» |
Factory configured - do not alter |
JP10 |
Pins 3 & 5, 4 & 6 closed |
|
» |
Monitor type select color |
JP12 |
Open |
|
Monitor type select monochrome |
JP12 |
Closed | |
|
» |
CMOS memory normal operation |
JP13 |
Open |
|
CMOS memory clear |
JP13 |
Closed | |
|
» |
Factory configured - do not alter |
JP17 |
Pins 2 & 3 closed |
|
Sound interface enabled |
JP18 |
Pins 1 & 2 closed | |
|
Sound interface disabled |
JP18 |
Pins 2 & 3 closed | |
|
» |
Flash BIOS voltage select 5v |
JP19 |
Pins 2 & 3 closed |
|
Flash BIOS voltage select 12v |
JP19 |
Pins 1 & 2 closed | |
|
» |
EEPROM size select 1MB |
JP21 |
Pins 1 & 2 closed |
|
EEPROM size select 2MB |
JP21 |
Pins 2 & 3 closed | |
|
» |
PS/2 mouse enabled |
JP24 |
Closed |
|
PS/2 mouse disabled |
JP24 |
Open | |
|
DRAM CONFIGURATION | ||
|
Size |
Bank 0 |
Bank 1 |
|
8MB |
(2) 1M x 36 |
None |
|
16MB |
(2) 2M x 36 |
None |
|
16MB |
(2) 1M x 36 |
(2) 1M x 36 |
|
24MB |
(2) 2M x 36 |
(2) 1M x 36 |
|
32MB |
(2) 4M x 36 |
None |
|
32MB |
(2) 2M x 36 |
(2) 2M x 36 |
|
40MB |
(2) 4M x 36 |
(2) 1M x 36 |
|
48MB |
(2) 4M x 36 |
(2) 2M x 36 |
|
64MB |
(2) 8M x 36 |
None |
|
64MB |
(2) 4M x 36 |
(2) 4M x 36 |
|
72MB |
(2) 8M x 36 |
(2) 1M x 36 |
|
DRAM CONFIGURATION (CON’T) | ||
|
Size |
Bank 0 |
Bank 1 |
|
80MB |
(2) 8M x 36 |
(2) 2M x 36 |
|
96MB |
(2) 8M x 36 |
(2) 4M x 36 |
|
128MB |
(2) 8M x 36 |
(2) 8M x 36 |
|
128MB |
(2) 16M x 36 |
None |
|
256MB |
(2) 16M x 36 |
(2) 16M x 36 |
|
Note: Board accepts EDO memory. Board also accepts x 32 SIMMs | ||
|
DRAM REFRESH RATE CONFIGURATION | ||
|
Setting |
JP14 | |
| » |
66MHz |
Open |
|
60MHz |
Closed | |
|
CACHE CONFIGURATION | ||
|
Size |
Bank 0 |
TAG |
|
256KB |
(2) 32K x 32 |
Unidentified |
|
512KB |
(2) 64K x 32 |
Unidentified |
|
CACHE CONFIGURATION | |
|
Type |
JP7 |
|
Write through |
Closed |
|
Write back |
Open |
|
CACHE TAG CONFIGURATION | |
|
Type |
JP1 |
|
Aster 16K x 8 |
Pins 1 & 2 closed |
|
Winbond 16K x 8 |
Open |
|
32K x 8 |
Pins 2 & 3 closed |
|
CPU SPEED SELECTION (CYRIX) | |||||||
|
CPU speed |
Clock speed |
Multiplier |
JP5 |
JP6 |
JP11 |
JP15 |
JP16 |
|
100MHz |
50MHz |
2x |
Closed |
Closed |
Open |
1 & 2 |
2 & 3 |
|
110MHz |
55MHz |
2x |
Open |
Open |
Open |
1 & 2 |
2 & 3 |
|
120MHz |
60MHz |
2x |
Open |
Closed |
Closed |
1 & 2 |
2 & 3 |
|
133MHz |
66MHz |
2x |
Closed |
Open |
Closed |
1 & 2 |
2 & 3 |
|
Note: Pins designated should be in the closed position. | |||||||
|
CPU SPEED SELECTION (INTEL) | |||||||
|
CPU speed |
Clock speed |
Multiplier |
JP5 |
JP6 |
JP11 |
JP15 |
JP16 |
|
75MHz |
50MHz |
1.5x |
Closed |
Closed |
Open |
2 & 3 |
2 & 3 |
|
90MHz |
60MHz |
1.5x |
Open |
Closed |
Closed |
2 & 3 |
2 & 3 |
|
100MHz |
66MHz |
1.5x |
Closed |
Open |
Closed |
2 & 3 |
2 & 3 |
|
120MHz |
60MHz |
2x |
Open |
Closed |
Closed |
1 & 2 |
2 & 3 |
|
133MHz |
66MHz |
2x |
Closed |
Open |
Closed |
1 & 2 |
2 & 3 |
|
150MHz |
60MHz |
2.5x |
Open |
Closed |
Closed |
1 & 2 |
1 & 2 |
|
166MHz |
66MHz |
2.5x |
Closed |
Open |
Closed |
1 & 2 |
1 & 2 |
|
200MHz |
66MHz |
3x |
Closed |
Open |
Closed |
2 & 3 |
1 & 2 |
|
Note: Pins designated should be in the closed position. | |||||||
|
CPU TYPE SELECTION | ||
|
Type |
Voltage |
JP8 |
|
P54C |
3.4v |
Pins 2 & 3 closed |
|
P55C |
2.8v |
Pins 4 & 5 closed |
|
P55C |
2.5v |
Pins 1 & 2 closed |
|
CPU VOLTAGE SELECTION | |
|
Voltage |
JP3 |
|
3.3v (STD) |
Pins 1 & 2 closed |
|
3.4v (VR) |
Pins 2 & 3 closed |
|
3.5v (VRE) |
Pins 4 & 5 closed |
|
MULTI I/O SELECTION | ||
|
Setting |
JP4 |
JP9 |
|
Enabled |
Pins 2 & 3 closed |
Pins 1 & 2 closed |
|
Disabled |
Pins 1 & 2 closed |
Pins 2 & 3 closed |