ICL
ERGOLITE SL486
|
Processor |
80486SX/80486DX/80486DX2 |
|
Processor Speed |
25/33/66(internal)MHz |
|
Chip Set |
Acer |
|
Max. Onboard DRAM |
32MB |
|
Cache |
None |
|
BIOS |
Acer |
|
Dimensions |
430mm x 352mm |
|
I/O Options |
PS/2 mouse port, parallel port, serial ports (2), VGA port, floppy drive interface, IDE interface, riser slot |
|
NPU Options |
None |
|
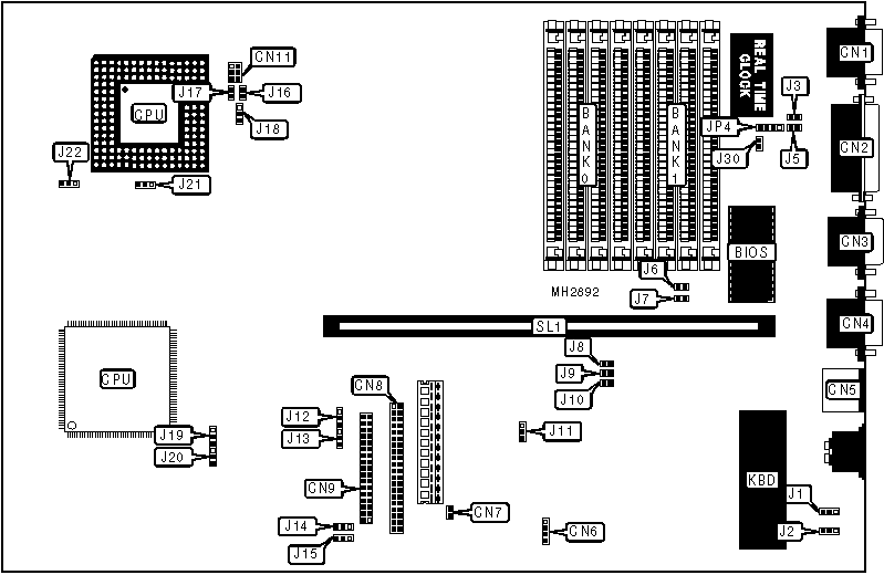
CONNECTIONS | |||
|
Purpose |
Location |
Purpose |
Location |
|
VGA port |
CN1 |
Chassis fan power |
CN7 |
|
Parallel port |
CN2 |
IDE interface |
CN8 |
|
Serial port 1 |
CN3 |
Floppy drive interface |
CN9 |
|
Serial port 2 |
CN4 |
External battery |
JP4 |
|
PS/2 mouse port |
CN5 |
Riser Card |
SL1 |
|
IDE interface LED |
CN6 | ||
|
USER CONFIGURABLE SETTINGS | |||
|
Function |
Jumper |
Position | |
|
» |
Factory configured - do not alter |
J1 |
pins 2 & 3 closed |
|
» |
Password disabled |
J2 |
pins 2 & 3 closed |
|
Password enabled |
J2 |
pins 1 & 2 closed | |
|
» |
Factory configured - do not alter |
J3 |
Open |
|
» |
Battery type select internal |
J5 |
Closed |
|
Battery type select external |
J5 |
Open | |
|
» |
IRQ 14 enabled |
J6 |
Closed |
|
IRQ 14 disabled |
J6 |
Open | |
|
» |
IRQ12 used for mouse |
J7 |
Closed |
|
IRQ12 disabled |
J7 |
Open | |
|
» |
Factory configured - do not alter |
J8 |
Closed |
|
» |
Factory configured - do not alter |
J9 |
Closed |
|
» |
Factory configured - do not alter |
J10 |
Closed |
|
» |
On board VGA enabled |
J11 |
pins 1 & 2 closed |
|
On board VGA disabled |
J11 |
pins 2 & 3 closed | |
|
» |
Factory configured - do not alter |
J12 |
pins 1 & 2 closed |
|
» |
Factory configured - do not alter |
J13 |
pins 1 & 2 closed |
|
» |
Factory configured - do not alter |
J14 |
pins 2 & 3 closed |
|
» |
Factory configured - do not alter |
J15 |
pins 1 & 2 closed |
|
» |
80487SX not installed |
J16 |
Open |
|
80487SX installed |
J16 |
Closed | |
|
» |
Factory configured - do not alter |
J18 |
pins 1 & 2 closed |
|
» |
Factory configured - do not alter |
J19 |
pins 2 & 3 closed |
|
» |
Factory configured - do not alter |
J20 |
pins 1 & 2 closed |
|
» |
Factory configured - do not alter |
J21 |
pins 1 & 2 closed |
|
» |
Factory configured - do not alter |
J22 |
pins 2 & 3 closed |
|
» |
Factory configured - do not alter |
J30 |
N/A |
|
DRAM CONFIGURATION | ||
|
Size |
Bank 0 |
Bank 1 |
|
4MB |
(4) 1M x 9 |
NONE |
|
8MB |
(4) 1M x 9 |
(4) 1M x 9 |
|
16MB |
(4) 4M x 9 |
NONE |
|
32MB |
(4) 4M x 9 |
(4) 4M x 9 |
|
CPU TYPE CONFIGURATION | |
|
Type |
JP17 |
|
80486SX |
Open |
|
ODP486SX |
Closed |
|
80487SX |
Open |
|
80486DX |
Closed |
|
80486DX2 |
Closed |
|
CPU SPEED CONFIGURATION | |
|
Speed |
CN11 |
|
25MHz |
Open |
|
33MHz |
pins 5 & 6 closed |
|
66iMHz |
pins 5 & 6 closed |