FREETECH CORPORATION
P6F90I
|
Device Type |
Mainboard |
|
Processor |
Pentium II/Celeron |
|
Processor Speed |
233/266/300/333 |
|
Chip Set |
Intel 440LX |
|
Maximum Onboard Memory |
384MB (EDO & SDRAM supported) |
|
Cache |
0/128/256/512KB (located on the CPU) |
|
BIOS |
Award |
|
Dimensions |
200mm x 304mm |
|
I/O Options |
32-bit PCI slots (4), floppy drive interface, IDE interfaces (2), parallel port, PS/2 mouse port, serial ports (2), IR connector, USB connectors (2), ATX power connector, AGP slot |
|
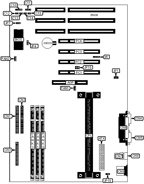
CONNECTIONS | |||
|
Purpose |
Location |
Purpose |
Location |
|
AGP slot |
AGP |
Parallel port |
CN6 |
|
ATX power connector |
ATX |
USB connector 1 |
CN7 |
|
Speaker |
C11 |
USB connector 2 |
CN8 |
|
Power switch |
C12 |
PS/2 mouse port |
CN9 |
|
Reset switch |
C13 |
Power LED & keylock |
C10 |
|
Green PC LED |
C14 |
CPU fan power |
FAN1 |
|
IDE interface LED |
C15 |
Chassis fan power |
FAN2 |
|
IDE interface 2 |
CN1 |
IR connector |
IR |
|
IDE interface 1 |
CN2 |
WAKE on LAN connector |
JP1 |
|
Floppy drive interface |
CN3 |
SB link connector |
JP15 |
|
Serial port 2 |
CN4 |
32-bit PCI slots |
PC1 - PC4 |
|
Serial port 1 |
CN5 | ||
|
USER CONFIGURABLE SETTINGS | |||
|
Function |
Label |
Position | |
|
» |
CMOS memory normal operation |
JP4 |
Pins 1 & 2 closed |
|
CMOS memory clear |
JP4 |
Pins 2 & 3 closed | |
|
» |
Auto power on disabled |
JP7 |
Pins 2 & 3 closed |
|
Auto power on enabled |
JP7 |
Pins 1 & 2 closed | |
|
» |
Keyboard and mouse use 5v standby power |
JP10 |
Pins 2 & 3 closed |
|
Keyboard and mouse use 5v power enabled |
JP10 |
Pins 1 & 2 closed | |
|
DIMM CONFIGURATION | |||
|
Size |
Bank 0 |
Bank 1 |
Bank 2 |
|
8MB |
(1) 1M x 64 |
None |
None |
|
16MB |
(1) 1M x 64 |
(1) 1M x 64 |
None |
|
16MB |
(1) 2M x 64 |
None |
None |
|
24MB |
(1) 1M x 64 |
(1) 1M x 64 |
(1) 1M x 64 |
|
24MB |
(1) 2M x 64 |
(1) 1M x 64 |
None |
|
32MB |
(1) 2M x 64 |
(1) 2M x 64 |
None |
|
32MB |
(1) 4M x 64 |
None |
None |
|
40MB |
(1) 2M x 64 |
(1) 2M x 64 |
(1) 1M x 64 |
|
48MB |
(1) 2M x 64 |
(1) 2M x 64 |
(1) 2M x 64 |
|
48MB |
(1) 4M x 64 |
(1) 2M x 64 |
None |
|
64MB |
(1) 4M x 64 |
(1) 4M x 64 |
None |
|
64MB |
(1) 8M x 64 |
None |
None |
|
80MB |
(1) 4M x 64 |
(1) 4M x 64 |
(1) 2M x 64 |
|
96MB |
(1) 4M x 64 |
(1) 4M x 64 |
(1) 4M x 64 |
|
96MB |
(1) 8M x 64 |
(1) 4M x 64 |
None |
|
128MB |
(1) 8M x 64 |
(1) 8M x 64 |
None |
|
128MB |
16M x 64 |
None |
None |
|
160MB |
(1) 8M x 64 |
(1) 8M x 64 |
(1) 4M x 64 |
|
192MB |
(1) 8M x 64 |
(1) 8M x 64 |
(1) 8M x 64 |
|
192MB |
(1) 16M x 64 |
(1) 8M x 64 |
None |
|
256MB |
(1) 16M x 64 |
(1) 16M x 64 |
None |
|
320MB |
(1) 16M x 64 |
(1) 16M x 64 |
(1) 8M x 64 |
|
384MB |
(1) 16M x 64 |
(1) 16M x 64 |
(1) 16M x 64 |
|
CACHE CONFIGURATION |
|
The 128KB cache is location on the Cleleron 300A & 333. The 256/512KB cache is located on the Pentium II CPU. |