EPOX COMPUTER CO., LTD.
P55-VA
|
Processor |
CX M1/AM K5/Pentium |
|
Processor Speed |
75/90/100/120/133/150/166/180/200MHz |
|
Chip Set |
Intel |
|
Video Chip Set |
None |
|
Maximum Onboard Memory |
128MB (EDO supported) |
|
Maximum Video Memory |
None |
|
Cache |
256/512KB |
|
BIOS |
Award |
|
Dimensions |
330mm x 218mm |
|
I/O Options |
32-bit PCI slots (4), floppy drive interface, green PC connector, IDE interfaces (2), parallel port, PS/2 mouse port, serial ports (2), cache slot, IR connector, USB connector, ATX power connector |
|
NPU Options |
None |
|
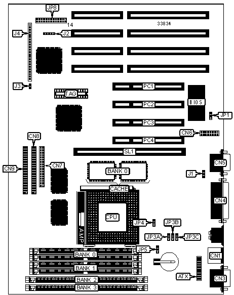
CONNECTIONS | |||
|
Purpose |
Location |
Purpose |
Location |
|
ATX power connector |
ATX |
Power on connector |
J3 |
|
PS/2 mouse port |
CN1 |
Power LED & keylock |
J4 pins 1 - 5 |
|
Serial port 1 |
CN3 |
Speaker |
J4 pins 7 - 10 |
|
Parallel port |
CN4 |
Reset switch |
J4 pins 12 & 13 |
|
Serial port 2 |
CN5 |
Turbo LED |
J4 pins 15 & 16 |
|
USB connector |
CN6 |
Green PC connector |
J4 pins 18 & 19 |
|
Floppy drive interface |
CN7 |
Green PC LED |
J4 pins 21 & 22 |
|
IDE interface 1 |
CN8 |
IDE interface LED |
J4 pins 24 & 25 |
|
IDE interface 2 |
CN9 |
32-bit PCI slots |
PC1 - PC4 |
|
Chassis fan power |
J1 |
Cache slot |
SL1 |
|
IR connector |
J2 | ||
|
USER CONFIGURABLE SETTINGS | |||
|
Function |
Label |
Position | |
|
Flash BIOS voltage select 12v |
JP1 |
Pins 2 & 3 closed | |
|
Flash BIOS voltage select 5v |
JP1 |
Pins 1 & 2 closed | |
|
» |
CMOS memory normal operation |
JP5 |
Pins 1 & 2 closed |
|
CMOS memory clear |
JP5 |
Pins 2 & 3 closed | |
|
DRAM CONFIGURATION | ||||
|
Size |
Bank 0 |
Bank 1 |
Bank 2 |
Bank 3 |
|
8MB |
(2) 1M x 36 |
None |
None |
None |
|
8MB |
None |
None |
(1) 1M x 64 |
None |
|
16MB |
(2) 1M x 36 |
(2) 1M x 36 |
None |
None |
|
16MB |
(2) 2M x 36 |
None |
None |
None |
|
16MB |
(2) 1M x 36 |
None |
(1) 1M x 64 |
None |
|
16MB |
None |
None |
(1) 2M x 64 |
None |
|
24MB |
(2) 2M x 36 |
(2) 1M x 36 |
None |
None |
|
24MB |
(2) 1M x 36 |
None |
(1) 2M x 64 |
None |
|
32MB |
(2) 2M x 36 |
(2) 2M x 36 |
None |
None |
|
32MB |
(2) 4M x 36 |
None |
None |
None |
|
32MB |
(2) 2M x 36 |
None |
(1) 2M x 64 |
None |
|
32MB |
None |
None |
(1) 4M x 64 |
None |
|
32MB |
(2) 1M x 36 |
(2) 1M x 36 |
(1) 1M x 64 |
(1) 1M x 64 |
|
40MB |
(2) 4M x 36 |
(2) 1M x 36 |
None |
None |
|
40MB |
(2) 4M x 36 |
None |
(1) 1M x 64 |
None |
|
48MB |
(2) 2M x 36 |
(2) 4M x 36 |
None |
None |
|
48MB |
(2) 2M x 36 |
None |
(1) 4M x 64 |
None |
|
64MB |
(2) 4M x 36 |
(2) 4M x 36 |
None |
None |
|
64MB |
(2) 8M x 36 |
None |
None |
None |
|
64MB |
(2) 4M x 36 |
None |
(1) 4M x 64 |
None |
|
64MB |
None |
None |
(1) 8M x 64 |
None |
|
DRAM CONFIGURATION (CON’T) | ||||
|
Size |
Bank 0 |
Bank 1 |
Bank 2 |
Bank 3 |
|
72MB |
(2) 1M x 36 |
(2) 8M x 36 |
None |
None |
|
72MB |
(2) 1M x 36 |
None |
(1) 8M x 64 |
None |
|
72MB |
(2) 2M x 36 |
(2) 2M x 36 |
(1) 1M x 64 |
(1) 4M x 64 |
|
80MB |
(2) 2M x 36 |
(2) 8M x 36 |
None |
None |
|
80MB |
(2) 2M x 36 |
None |
(1) 8M x 64 |
None |
|
80MB |
(2) 4M x 36 |
(2) 4M x 36 |
(1) 1M x 64 |
(1) 1M x 64 |
|
96MB |
(2) 4M x 36 |
(2) 8M x 36 |
None |
None |
|
96MB |
(2) 4M x 36 |
None |
(1) 8M x 64 |
None |
|
96MB |
(2) 2M x 36 |
(2) 2M x 36 |
(1) 4M x 64 |
(1) 4M x 64 |
|
104MB |
(2) 4M x 36 |
(2) 4M x 36 |
(1) 1M x 64 |
(1) 4M x 64 |
|
128MB |
(2) 8M x 36 |
(2) 8M x 36 |
None |
None |
|
128MB |
(2) 8M x 36 |
None |
(1) 8M x 64 |
None |
|
128MB |
(2) 4M x 36 |
(2) 4M x 36 |
(1) 4M x 64 |
(1) 4M x 64 |
|
Note: Board accepts EDO memory. Banks are interchangeable. | ||||
|
CACHE CONFIGURATION | |||
|
Size |
Bank 0 |
SL1 |
TAG |
|
256KB |
(2) 32K x 32 |
Not installed |
Unidentified |
|
512KB |
(2) 32K x 32 |
Installed |
Unidentified |
|
512KB |
(2) 64K x 32 |
Not installed |
Unidentified |
|
CPU SPEED SELECTION (CYRIX) | |||
|
CPU speed |
Clock speed |
Multiplier |
JP8 |
|
120MHz |
50MHz |
2x |
Pins 10 & 23 closed |
|
133MHz |
55MHz |
2x |
Pins 13 & 26 closed |
|
150MHz |
60MHz |
2x |
Pins 4 & 17 closed |
|
166MHz |
66MHz |
2x |
Pins 5 & 18 closed |
|
200MHz |
75MHz |
2x |
Pins 12 & 25 closed |
|
CPU SPEED SELECTION (INTEL) | |||
|
CPU speed |
Clock speed |
Multiplier |
JP8 |
|
75MHz |
50MHz |
1.5x |
Pins 1 & 14 closed |
|
90MHz |
60MHz |
1.5x |
Pins 2 & 15 closed |
|
100MHz |
66MHz |
1.5x |
Pins 3 & 16 closed |
|
120MHz |
60MHz |
2x |
Pins 4 & 17 closed |
|
133MHz |
66MHz |
2x |
Pins 5 & 18 closed |
|
150MHz |
60MHz |
2.5x |
Pins 6 & 19 closed |
|
166MHz |
66MHz |
2.5x |
Pins 7 & 20 closed |
|
180MHz |
60MHz |
3x |
Pins 8 & 21 closed |
|
200MHz |
66MHz |
3x |
Pins 9 & 22 closed |
|
CPU TYPE SELECTION | |||
|
Type |
JP3A |
JP3B |
JP3C |
|
CX M1 |
Pins 1 & 2 closed |
Pins 1 & 2 closed |
Pins 1 & 2 closed |
|
AM K5 |
Pins 1 & 2 closed |
Pins 1 & 2 closed |
Pins 1 & 2 closed |
|
P54C/CTB |
Pins 1 & 2 closed |
Pins 1 & 2 closed |
Pins 1 & 2 closed |
|
P55C |
Pins 2 & 3 closed |
Pins 2 & 3 closed |
Pins 2 & 3 closed |
|
CPU VOLTAGE SELECTION | ||
|
Voltage |
JP4 | |
|
2.5v |
Pins 1 & 2 closed | |
| » |
2.8v |
Pins 2 & 3 closed |
|
2.9v |
Open | |
|
MISCELLANEOUS TECHNICAL NOTE |
|
If 200MHz Cyrix chip is installed, do not install the COAST module. Also, do not install a PCI 2.0 SCSI card. Either of the above cases will cause the mainboard to lock up. A PCI 2.1 SCSI card may be installed with no problems. |