EPSON, INC.
EQUITY 386SX/16 PLUS AND EQUITY 320SX PLUS
|
Processor |
80386SX |
|
Processor Speed |
16/20MHz |
|
Chip Set |
VLSI TOPCAT |
|
Max. Onboard DRAM |
24MB |
|
Cache |
None |
|
BIOS |
AMI/Epson |
|
Dimensions |
3O4mm x 272mm |
|
I/O Options |
Floppy drive interface, IDE interface, parallel port, serial port, VGA port |
|
NPU Options |
80387SX |
|
CONNECTIONS | |||
|
Purpose |
Location |
Purpose |
Location |
|
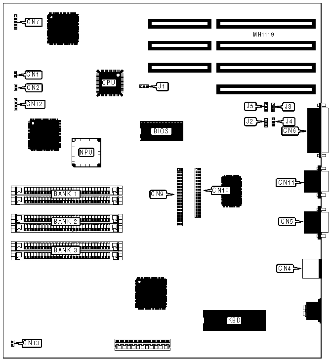
Battery connector |
CN1 |
IDE interface |
CN9 |
|
Speaker |
CN2 |
Floppy drive interface |
CN10 |
|
Keyboard/mouse connector |
CN4 |
Serial port (COM1) |
CN11 |
|
VGA connector |
CN5 |
HDD access LED |
CN12 |
|
Parallel port |
CN6 |
Power LED |
CN13 |
|
CPU/Power LED |
CN7 | ||
|
USER CONFIGURABLE SETTINGS | |||
|
Function |
Jumper |
Position | |
| » |
Password enabled |
J2 |
pins 2 & 3 closed |
|
Password disabled |
J2 |
pins 2 & 3 closed | |
| » |
Monitor type select color |
J3 |
pins 1 & 2 closed |
|
Monitor type select monochrome |
J3 |
pins 2 & 3 closed | |
| » |
Mouse interface enabled |
J4 |
pins 1 & 2 closed |
|
Mouse interface disabled |
J4 |
pins 2 & 3 closed | |
|
DRAM CONFIGURATION | |||
|
Size |
Bank 1 |
Bank 2 |
Bank 3 |
|
3MB |
(2) 256K x 9 |
(2) 256K x 9 |
NONE |
|
4MB |
(2) 1M x 9 |
NONE |
NONE |
|
5MB |
(2) 1M x 9 |
(2) 256K x 9 |
(2) 256K x 9 |
|
6MB |
(2) 1M x 9 |
(2) 1M x 9 |
NONE |
|
8MB |
(2) 1M x 9 |
(2) 1M x 9 |
(2) 1M x 9 |
|
10MB |
(2) 4M x 9 |
NONE |
NONE |
|
11MB |
(2) 4M x 9 |
(2) 256K x 9 |
(2) 256K x 9 |
|
12MB |
(2) 1M x 9 |
(2) 4M x 9 |
NONE |
|
18MB |
(2) 4M x 9 |
(2) 4M x 9 |
(4) 1M x 9 |
|
20MB |
(2) 1M x 9 |
(2) 4M x 9 |
(2) 4M x 9 |
|
24MB |
(2) 4M x 9 |
(2) 4M x 9 |
(2) 4M x 9 |
|
Note:Board is supplied with 2MB factory installed. | |||
|
VGA CONFIGURATION | ||
|
Setting |
J1 |
J5 |
|
Enabled |
pins 2 & 3 closed |
pins 2 & 3 closed |
|
Disabled |
pins 1 & 2 closed |
pins 1 & 2 closed |