DTK COMPUTER, INC.
PRM-0082I (VER. 1.01)
|
Device Type |
Mainboard |
|
Processor |
Pentium II |
|
Processor Speed |
233/266/300/333MHz |
|
Chip Set |
Intel 440EX |
|
Audio Chip Set |
ESS |
|
Maximum Onboard Memory |
512MB (EDO & SDRAM supported) |
|
Cache |
256/512KB (located on the Pentium II CPU) |
|
BIOS |
Award |
|
Dimensions |
244mm x 210mm |
|
I/O Options |
32-bit PCI slots (2), floppy drive interface, game/MIDI port, IDE interfaces (2), parallel port, PS/2 mouse port, serial ports (2), IR connector, USB connectors (2), ATX power connector, AGP slot, line in, line out, microphone in, audio in – CD-ROMs (2) |
|
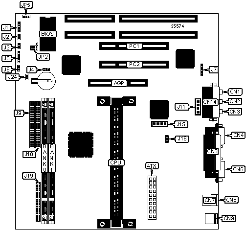
CONNECTIONS | |||
|
Purpose |
Location |
Purpose |
Location |
|
AGP slot |
AGP |
Reset switch |
J3 |
|
ATX power connector |
ATX |
Keylock |
J5 |
|
Microphone in |
CN1 |
IDE interface LED |
J6 |
|
Line in |
CN2 |
IR connector |
J7 |
|
Line out |
CN3 |
IDE interface 1 |
J9 |
|
Serial port 1 |
CN4 |
IDE interface 2 |
J10 |
|
Parallel port |
CN5 |
Audio in – CD-ROM (Sony) |
J11 |
|
Serial port 2 |
CN6 |
Audio in – CD-ROM (Panasonic) |
J15 |
|
USB connector |
CN7 & CN8 |
CPU fan power |
J16 |
|
PS/2 mouse port |
CN9 |
Floppy drive interface |
J19 |
|
Game/MIDI port |
CN14 |
Wake on LAN connector |
JP5 |
|
Speaker |
J1 |
32-bit PCI slots |
PC1 - PC |
|
Power switch |
J2 | ||
|
USER CONFIGURABLE SETTINGS | |||
|
Function |
Label |
Position | |
|
» |
CMOS memory normal operation |
J4 |
Pins 2 & 3 closed |
|
CMOS memory clear |
J4 |
Pins 1 & 2 closed | |
|
System on after power failure |
J24 |
Closed | |
|
System off after power failure |
J24 |
Open | |
|
DIMM CONFIGURATION | ||
|
Size |
Bank 0 |
Bank 1 |
|
8MB |
(1) 1M x 64 |
None |
|
16MB |
(1) 2M x 64 |
None |
|
16MB |
(1) 1M x 64 |
(1) 1M x 64 |
|
24MB |
(1) 2M x 64 |
(1) 1M x 64 |
|
32MB |
(1) 4M x 64 |
None |
|
32MB |
(1) 2M x 64 |
(1) 2M x 64 |
|
40MB |
(1) 4M x 64 |
(1) 1M x 64 |
|
48MB |
(1) 4M x 64 |
(1) 2M x 64 |
|
64MB |
(1) 8M x 64 |
None |
|
64MB |
(1) 4M x 64 |
(1) 4M x 64 |
|
72MB |
(1) 8M x 64 |
(1) 1M x 64 |
|
80MB |
(1) 8M x 64 |
(1) 2M x 64 |
|
96MB |
(1) 8M x 64 |
(1) 4M x 64 |
|
DIMM CONFIGURATION (CON’T) | ||
|
Size |
Bank 0 |
Bank 1 |
|
128MB |
(1) 16M x 64 |
None |
|
128MB |
(1) 8M x 64 |
(1) 8M x 64 |
|
136MB |
(1) 16M x 64 |
(1) 1M x 64 |
|
144MB |
(1) 16M x 64 |
(1) 2M x 64 |
|
160MB |
(1) 16M x 64 |
(1) 4M x 64 |
|
192MB |
(1) 16M x 64 |
(1) 8M x 64 |
|
256MB |
(1) 16M x 64 |
(1) 16M x 64 |
|
288MB |
(1) 32M x 64 |
(1) 4M x 64 |
|
320MB |
(1) 32M x 64 |
(1) 8M x 64 |
|
384MB |
(1) 32M x 64 |
(1) 16M x 64 |
|
512MB |
(1) 32M x 64 |
(1) 32M x 64 |
|
Note: Board will accept up to 256MB SDRAM or 512MB EDO memory. | ||
|
CACHE CONFIGURATION |
|
The 256/512KB cache is located on the Pentium II CPU. |
|
CPU SPEED SELECTION | |||
|
CPU speed |
Clock speed |
Multiplier |
JP2 |
|
233MHz |
66MHz |
3.5x |
Pins 5 & 6 closed |
|
266MHz |
66MHz |
4x |
Pins 1 & 2, 3 & 4 closed |
|
300MHz |
66MHz |
4.5x |
Pins 3 & 4 closed |
|
333MHz |
66MHz |
5x |
Pins 1 & 2 closed |