DIGITAL EQUIPMENT CORPORATION
P3100CE
|
Processor |
8088 |
|
Processor Speed |
4.77/10MHz |
|
Chip Set |
Unidentified |
|
Video Chip Set |
None |
|
Maximum Onboard Memory |
768KB |
|
Maximum Video Memory |
None |
|
Cache |
None |
|
BIOS |
Unidentified |
|
Dimensions |
240mm x 185mm |
|
I/O Options |
Floppy drive interface, IDE interface, parallel port, serial ports (2) |
|
NPU Options |
8087 |
|
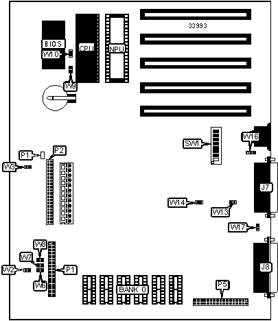
CONNECTIONS | |||
|
Purpose |
Location |
Purpose |
Location |
|
Parallel port |
J7 |
IDE interface |
P2 |
|
Serial port 1 |
J8 |
Serial port 2 |
P5 |
|
Floppy drive interface |
P1 | ||
|
USER CONFIGURABLE SETTINGS | |||
|
Function |
Label |
Position | |
|
» |
Factory configured - do not alter |
P1 |
Unidentified |
|
NPU not installed |
SW1/1 |
On | |
|
NPU installed |
SW1/1 |
Off | |
|
One floppy drive installed |
SW1/2 |
On | |
|
Two floppy drives installed |
SW1/2 |
Off | |
|
Parity chips installed |
SW1/3 |
On | |
|
Parity chips not installed |
SW1/3 |
Off | |
|
Monitor type select monochrome |
SW1/4 |
On | |
|
Monitor type select color |
SW1/4 |
Off | |
|
Parallel port enabled |
SW1/5 |
Off | |
|
Parallel port disabled |
SW1/5 |
On | |
|
Serial port 2 enabled |
SW1/6 |
Off | |
|
Serial port 2 disabled |
SW1/6 |
On | |
|
Serial port 1 enabled |
SW1/7 |
Off | |
|
Serial port 1 disabled |
SW1/7 |
On | |
|
IDE interface enabled |
SW1/8 |
Off | |
|
IDE interface disabled |
SW1/8 |
On | |
|
» |
Support for non standard floppy drive disabled |
W2 |
Closed |
|
Support for non standard floppy drive enabled |
W2 |
Open | |
|
» |
Floppy drive signal operation enabled |
W6 |
Closed |
|
Floppy drive signal operation disabled |
W6 |
Open | |
|
Floppy drive motor type select dual speed spindle |
W7 |
Closed | |
|
Floppy drive motor type select single speed spindle |
W7 |
Open | |
|
» |
Floppy drive pre-compensation mode 125ns |
W8 |
Open |
|
Floppy drive pre-compensation mode 187ns |
W8 |
Closed | |
|
» |
Direction controlled by the connected device via SLCT-N line |
W13 |
Open |
|
Direction controlled internally |
W13 |
Closed | |
|
» |
Parallel port bidirectional disabled |
W14 |
Open |
|
Parallel port bidirectional enabled |
W14 |
Closed | |
|
» |
Test mode enabled |
W17 |
Open |
|
Test mode disabled |
W17 |
Closed | |
|
Note: W13 is used only if W14 is closed. | |||
|
DRAM CONFIGURATION | |
|
Size |
Bank 0 |
|
768KB |
768KB |
|
Note: The size of the memory chips is unidentified. | |
|
BIOS SELECTION | |||
|
Size |
W9 |
W10 | |
|
2764 |
Open |
Open | |
|
27128 |
Open |
Open | |
| » |
27256 |
Open |
Closed |
|
27512 |
Closed |
Closed | |
|
LOGIC GROUND SELECTION | ||
|
Setting |
W3 |
W16 |
|
Isolated from chassis ground |
N/A |
Open |
|
Connected with chassis ground |
Closed |
Pins 2 & 3 closed |
|
Connected to chassis through network |
N/A |
Pins 1 & 2 closed |
|
Chassis ground connected depends on W16 setting |
Open |
N/A |