ACER, INC.
ACERALTOS 9000V (M9A), M9A
|
Device Type |
Mainboard |
|
Processor |
Pentium |
|
Processor Speed |
100/120/133/150/166/200MHz |
|
Chip Set |
Unidentified |
|
Video Chip Set |
ATI |
|
Maximum Onboard Memory |
128MB (EDO supported) |
|
Maximum Video Memory |
2MB |
|
Cache |
512KB |
|
BIOS |
Acer |
|
Dimensions |
305mm x 244mm |
|
I/O Options |
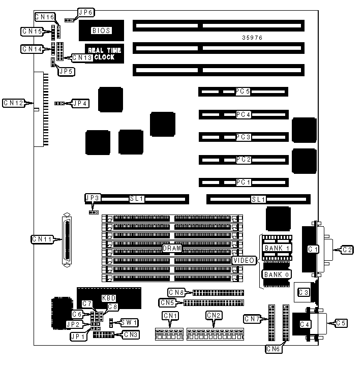
32-bit PCI slots (5), green PC connector, floppy drive interface, IDE interface, SCSI interface, SCSI-2 interface, parallel port, PS/2 mouse port, serial ports (2), VGA port, CPU slot |
|
CONNECTIONS | |||
|
Purpose |
Location |
Purpose |
Location |
|
Parallel port |
C1 |
RDM connector |
CN6 |
|
VGA port |
C2 |
RDM connector |
CN7 |
|
PS/2 mouse port |
C3 |
Floppy drive interface |
CN8 |
|
Serial port 1 |
C4 |
Wide SCSI interface |
CN11 |
|
Serial port 2 |
C5 |
SCSI-2 interface |
CN12 |
|
Chassis fan power |
C6 |
LED board connector |
CN13 |
|
Chassis fan power |
C7 |
IDE interface LED |
CN14 |
|
Chassis fan power |
C8 |
Power LED & keylock |
CN15 |
|
3.3v power |
CN1 |
Speaker |
CN16 |
|
5v power |
CN2 |
32-bit PCI slots |
PC1 - PC5 |
|
Backplane status LED |
CN3 |
Green PC connector |
SW1 |
|
IDE interface |
CN5 |
CPU slot |
SL1 |
|
USER CONFIGURABLE SETTINGS | |||
|
Function |
Label |
Position | |
|
Password enabled |
JP1 |
Pins 1 & 2 closed | |
|
Password disabled |
JP1 |
Pins 2 & 3 closed | |
|
BIOS type select Acer |
JP2 |
Pins 1 & 2 closed | |
|
BIOS type select OEM |
JP2 |
Pins 2 & 3 closed | |
|
Termination enabled |
JP3 |
Pins 1 & 2 closed | |
|
Termination switchable through SCSI select utility |
JP3 |
Pins 2 & 3 closed | |
|
» |
SCSI select standard |
JP4 |
Pins 2 & 3 closed |
|
SCSI select wide |
JP4 |
Pins 1 & 2 closed | |
|
Front panel reset enabled |
JP5 |
Pins 1 & 2 closed | |
|
Front panel reset disabled |
JP5 |
Pins 2 & 3 closed | |
|
Buzzer enabled |
JP6 |
Pins 1 & 2 closed | |
|
External speaker enabled |
JP6 |
Pins 2 & 3 closed | |
|
SIMM CONFIGURATION | ||||
|
Size |
Bank 0 |
Bank 1 |
Bank 2 |
Bank 3 |
|
8MB |
(2) 1M x 36 |
None |
None |
None |
|
16MB |
(2) 2M x 36 |
None |
None |
None |
|
16MB |
(2) 1M x 36 |
(2) 1M x 36 |
None |
None |
|
24MB |
(2) 2M x 36 |
(2) 1M x 36 |
None |
None |
|
24MB |
(2) 1M x 36 |
(2) 1M x 36 |
(2) 1M x 36 |
None |
|
32MB |
(2) 4M x 36 |
None |
None |
None |
|
32MB |
(2) 2M x 36 |
(2) 2M x 36 |
None |
None |
|
32MB |
(2) 1M x 36 |
(2) 1M x 36 |
(2) 1M x 36 |
(2) 1M x 36 |
|
48MB |
(2) 2M x 36 |
(2) 2M x 36 |
(2) 2M x 36 |
None |
|
64MB |
(2) 2M x 36 |
(2) 2M x 36 |
(2) 2M x 36 |
(2) 2M x 36 |
|
SIMM CONFIGURATION (CON'T) | ||||
|
Size |
Bank 0 |
Bank 1 |
Bank 2 |
Bank 3 |
|
64MB |
(2) 8M x 36 |
None |
None |
None |
|
64MB |
(2) 4M x 36 |
(2) 4M x 36 |
None |
None |
|
72MB |
(2) 8M x 36 |
(2) 1M x 36 |
None |
None |
|
80MB |
(2) 8M x 36 |
(2) 2M x 36 |
None |
None |
|
96MB |
(2) 8M x 36 |
(2) 4M x 36 |
None |
None |
|
96MB |
(2) 4M x 36 |
(2) 4M x 36 |
(2) 4M x 36 |
None |
|
128MB |
(2) 16M x 36 |
None |
None |
None |
|
128MB |
(2) 8M x 36 |
(2) 8M x 36 |
None |
None |
|
128MB |
(2) 4M x 36 |
(2) 4M x 36 |
(2) 4M x 36 |
(2) 4M x 36 |
|
136MB |
(2) 16M x 36 |
(2) 1M x 36 |
None |
None |
|
144MB |
(2) 16M x 36 |
(2) 2M x 36 |
None |
None |
|
160MB |
(2) 16M x 36 |
(2) 4M x 36 |
None |
None |
|
192MB |
(2) 16M x 36 |
(2) 8M x 36 |
None |
None |
|
192MB |
(2) 8M x 36 |
(2) 8M x 36 |
(2) 8M x 36 |
None |
|
224MB |
(2) 16M x 36 |
(2) 4M x 36 |
(2) 4M x 36 |
(2) 4M x 36 |
|
256MB |
(2) 16M x 36 |
(2) 16M x 36 |
None |
None |
|
256MB |
(2) 8M x 36 |
(2) 8M x 36 |
(2) 8M x 36 |
(2) 8M x 36 |
|
Note: Board accepts EDO memory. | ||||
|
CACHE CONFIGURATION |
|
Note: The location of the cache is unidentified. |
|
VIDEO MEMORY CONFIGURATION | ||
|
Size |
Bank 0 |
Bank 1 |
|
1MB |
(2) 256K x 16 |
None |
|
2MB |
(2) 256K x 16 |
(2) 256K x 16 |
|
CONNECTIONS | |||
|
Purpose |
Location |
Purpose |
Location |
|
CPU fan power |
C1 |
CPU fan power |
C2 |
|
CPU SPEED SELECTION | |||||
|
CPU speed |
Clock speed |
Multiplier |
JP1 |
JP2 |
JP5 |
|
100MHz |
66MHz |
1.5x |
2 & 3 |
2 & 3 |
3 & 4 |
|
120MHz |
60MHz |
2x |
2 & 3 |
1 & 2 |
2 & 3 |
|
133MHz |
66MHz |
2x |
2 & 3 |
1 & 2 |
3 & 4 |
|
150MHz |
60MHz |
2.5x |
1 & 2 |
1 & 2 |
2 & 3 |
|
166MHz |
66MHz |
2.5x |
1 & 2 |
1 & 2 |
3 & 4 |
|
200MHz |
66MHz |
3x |
1 & 2 |
2 & 3 |
3 & 4 |
|
Note: Pins designated should be in the closed position.. | |||||
|
CPU VOLTAGE SELECTION | |
|
Voltage |
JP4 |
|
VR |
Pins 1 & 2 closed |
|
VRE |
Pins 2 & 3 closed |