ASUS COMPUTER INTERNATIONAL
TX97-X (REV. 3.00)
|
Device Type |
Mainboard |
|
Processor |
CX 6X86/CX 6X86MX/AM K5/AM K6/Pentium/Pentium MMX |
|
Processor Speed |
75/90/100/120/133/150/166/200MHz |
|
Chip Set |
Intel 430TX |
|
Audio Chip Set |
Creative Labs |
|
Maximum Onboard Memory |
256MB (EDO and SDRAM supported) |
|
Cache |
512KB |
|
BIOS |
Unidentified |
|
Dimensions |
330mm x 218mm |
|
I/O Options |
32-bit PCI slots (4), floppy drive interface, game/MIDI port, IDE interfaces (2), PS/2 mouse port, serial ports (2), IR connector, USB connectors (2), ATX power connector, line in connector, line out connector, microphone connector, CD-ROM audio interface, wake on LAN connector |
|
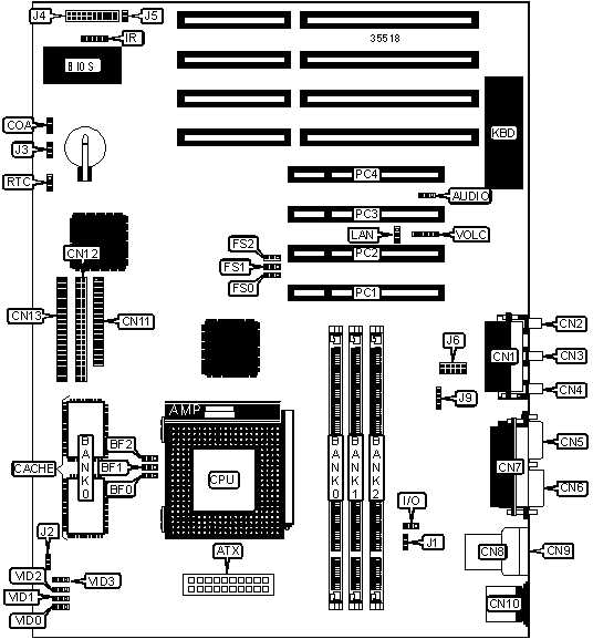
CONNECTIONS | |||
|
Purpose |
Location |
Purpose |
Location |
|
ATX power connector |
ATX |
IDE interface 1 |
CN13 |
|
Game/MIDI port |
CN1 |
Chassis open alarm |
COA |
|
Microphone in connector |
CN2 |
IR connector |
IR |
|
Line in connector |
CN3 |
Chassis fan power |
J1 |
|
Line out connector |
CN4 |
Chassis fan power |
J2 |
|
Serial port 1 |
CN5 |
Chassis fan power |
J3 |
|
Serial port 2 |
CN6 |
Front panel connector |
J4 |
|
Parallel port |
CN7 |
IDE interface LED |
J5 |
|
USB connector 1 |
CN8 |
Creative Modem connector |
J6 |
|
USB connector 2 |
CN9 |
Sony CD-ROM connector |
J9 |
|
PS/2 mouse port |
CN10 |
Wake on LAN activity connector |
LAN |
|
Floppy drive interface |
CN11 |
32-bit PCI slots |
PC1 – PC4 |
|
IDE interface 2 |
CN12 | ||
|
USER CONFIGURABLE SETTINGS | |||
|
Function |
Label |
Position | |
|
» |
On board audio enabled |
AUDIO |
Pins 2 & 3 closed |
|
On board audio disabled |
AUDIO |
Pins 1 & 2 closed | |
|
» |
Factory configured - do not alter |
BF2 |
Unidentified |
|
» |
Flash BIOS write protect disabled |
BBW |
Pins 1 & 2 closed |
|
Flash BIOS write protect enabled |
BBW |
Pins 2 & 3 closed | |
|
» |
On board I/O enabled |
I/O |
Pins 1 & 2 closed |
|
On board I/O disabled |
I/O |
Pins 2 & 3 closed | |
|
» |
CMOS memory normal operation |
RTC |
Pins 1 & 2 closed |
|
CMOS memory clear |
RTC |
Pins 2 & 3 closed | |
|
Volume control up |
VOLC |
Pins 1 & 2 closed | |
|
Volume control down |
VOLC |
Pins 4 & 5 closed | |
|
DIMM CONFIGURATION | |||
|
Size |
Bank 0 |
Bank 1 |
Bank 2 |
|
8MB |
(1) 1M x 64 |
None |
None |
|
16MB |
(1) 2M x 64 |
None |
None |
|
16MB |
(1) 1M x 64 |
(1) 1M x 64 |
None |
|
24MB |
(1) 2M x 64 |
(1) 1M x 64 |
None |
|
24MB |
(1) 1M x 64 |
(1) 1M x 64 |
(1) 1M x 64 |
|
32MB |
(1) 4M x 64 |
None |
None |
|
32MB |
(1) 2M x 64 |
(1) 2M x 64 |
None |
|
32MB |
(1) 1M x 64 |
(1) 1M x 64 |
(1) 2M x 64 |
|
40MB |
(1) 4M x 64 |
(1) 1M x 64 |
None |
|
40MB |
(1) 2M x 64 |
(1) 2M x 64 |
(1) 1M x 64 |
|
48MB |
(1) 4M x 64 |
(1) 2M x 64 |
None |
|
48MB |
(1) 2M x 64 |
(1) 2M x 64 |
(1) 2M x 64 |
|
DIMM CONFIGURATION (CON’T) | |||
|
Size |
Bank 0 |
Bank 1 |
Bank 2 |
|
48MB |
(1) 1M x 64 |
(1) 1M x 64 |
(1) 4M x 64 |
|
64MB |
(1) 8M x 64 |
None |
None |
|
64MB |
(1) 4M x 64 |
(1) 4M x 64 |
None |
|
72MB |
(1) 8M x 64 |
(1) 1M x 64 |
None |
|
72MB |
(1) 4M x 64 |
(1) 4M x 64 |
(1) 1M x 64 |
|
80MB |
(1) 8M x 64 |
(1) 2M x 64 |
None |
|
80MB |
(1) 4M x 64 |
(1) 4M x 64 |
(1) 2M x 64 |
|
96MB |
(1) 8M x 64 |
(1) 4M x 64 |
None |
|
96MB |
(1) 4M x 64 |
(1) 4M x 64 |
(1) 4M x 64 |
|
128MB |
(1) 8M x 64 |
(1) 8M x 64 |
None |
|
128MB |
(1) 16M x 64 |
None |
None |
|
136MB |
(1) 16M x 64 |
(1) 1M x 64 |
None |
|
144MB |
(1) 16M x 64 |
(1) 2M x 64 |
None |
|
160MB |
(1) 16M x 64 |
(1) 4M x 64 |
None |
|
192MB |
(1) 16M x 64 |
(1) 8M x 64 |
None |
|
256MB |
(1) 16M x 64 |
(1) 16M x 64 |
None |
|
256MB |
(1) 32M x 64 |
None |
None |
|
CACHE CONFIGURATION | |
|
Size |
Bank 0 |
|
256KB |
(2) 32K x 32 |
|
512KB |
(2) 64K x 32 |
|
CPU SPEED SELECTION (CX 6X86) | |||||||
|
CPU speed |
Clock speed |
Multiplier |
BF0 |
BF1 |
FS0 |
FS1 |
FS2 |
|
166MHz |
66MHz |
2x |
2 & 3 |
1 & 2 |
1 & 2 |
2 & 3 |
2 & 3 |
|
Note: Pins designated should be in the closed position. | |||||||
|
CPU SPEED SELECTION (CX 6X86MX) | |||||||
|
CPU speed |
Clock speed |
Multiplier |
BF0 |
BF1 |
FS0 |
FS1 |
FS2 |
|
150MHz |
60MHz |
2.5x |
2 & 3 |
2 & 3 |
2 & 3 |
2 & 3 |
2 & 3 |
|
166MHz |
66MHz |
2.5x |
2 & 3 |
2 & 3 |
2 & 3 |
2 & 3 |
1 & 2 |
|
200MHz |
66MHz |
3x |
2 & 3 |
1 & 2 |
2 & 3 |
2 & 3 |
1 & 2 |
|
Note: Pins designated should be in the closed position. | |||||||
|
CPU SPEED SELECTION (AM K5) | |||||||
|
CPU speed |
Clock speed |
Multiplier |
BF0 |
BF1 |
FS0 |
FS1 |
FS2 |
|
75MHz |
50MHz |
1.5x |
1 & 2 |
1 & 2 |
2 & 3 |
1 & 2 |
2 & 3 |
|
90MHz |
60MHz |
1.5x |
1 & 2 |
1 & 2 |
2 & 3 |
2 & 3 |
2 & 3 |
|
100MHz |
66MHz |
1.5x |
1 & 2 |
1 & 2 |
1 & 2 |
2 & 3 |
2 & 3 |
|
120MHz |
60MHz |
1.5x |
1 & 2 |
1 & 2 |
2 & 3 |
2 & 3 |
2 & 3 |
|
133MHz |
66MHz |
1.5x |
1 & 2 |
1 & 2 |
1 & 2 |
2 & 3 |
2 & 3 |
|
Note: Pins designated should be in the closed position. | |||||||
|
CPU SPEED SELECTION (AM K6) | |||||||
|
CPU speed |
Clock speed |
Multiplier |
BF0 |
BF1 |
FS0 |
FS1 |
FS2 |
|
166MHz |
66MHz |
2x |
2 & 3 |
2 & 3 |
2 & 3 |
2 & 3 |
1 & 2 |
|
200MHz |
66MHz |
3x |
2 & 3 |
1 & 2 |
2 & 3 |
2 & 3 |
1 & 2 |
|
233MHz |
66MHz |
3.5x |
1 & 2 |
1 & 2 |
2 & 3 |
2 & 3 |
1 & 2 |
|
Note: Pins designated should be in the closed position. | |||||||
|
CPU SPEED SELECTION (INTEL) | |||||||
|
CPU speed |
Clock speed |
Multiplier |
BF0 |
BF1 |
FS0 |
FS1 |
FS2 |
|
75MHz |
50MHz |
1.5x |
1 & 2 |
1 & 2 |
2 & 3 |
1 & 2 |
2 & 3 |
|
90MHz |
60MHz |
1.5x |
1 & 2 |
1 & 2 |
2 & 3 |
2 & 3 |
2 & 3 |
|
100MHz |
66MHz |
1.5x |
1 & 2 |
1 & 2 |
1 & 2 |
2 & 3 |
2 & 3 |
|
120MHz |
60MHz |
2x |
2 & 3 |
1 & 2 |
2 & 3 |
2 & 3 |
2 & 3 |
|
133MHz |
66MHz |
2x |
2 & 3 |
1 & 2 |
1 & 2 |
2 & 3 |
2 & 3 |
|
150MHz |
60MHz |
2.5x |
2 & 3 |
2 & 3 |
2 & 3 |
2 & 3 |
2 & 3 |
|
166MHz |
66MHz |
2.5x |
2 & 3 |
2 & 3 |
1 & 2 |
2 & 3 |
2 & 3 |
|
200MHz |
66MHz |
3x |
1 & 2 |
2 & 3 |
1 & 2 |
2 & 3 |
2 & 3 |
|
Note: Pins designated should be in the closed position. | |||||||
|
CPU SPEED SELECTION (INTELMMX) | |||||||
|
CPU speed |
Clock speed |
Multiplier |
BF0 |
BF1 |
FS0 |
FS1 |
FS2 |
|
166MHz |
66MHz |
2.5x |
2 & 3 |
2 & 3 |
1 & 2 |
2 & 3 |
2 & 3 |
|
200MHz |
66MHz |
3x |
1 & 2 |
2 & 3 |
1 & 2 |
2 & 3 |
2 & 3 |
|
233MHz |
66MHz |
3.5x |
1 & 2 |
1 & 2 |
1 & 2 |
2 & 3 |
2 & 3 |
|
Note: Pins designated should be in the closed position. | |||||||
|
CPU VOLTAGE SELECTION (SINGLE) | ||||
|
Voltage |
VID0 |
VID1 |
VID2 |
VID3 |
|
3.4v |
Pins 2 & 3 closed |
Open |
Pins 2 & 3 closed |
Open |
|
3.5v |
Pins 1 & 2 closed |
Open |
Pins 2 & 3 closed |
Open |
|
CPU VOLTAGE SELECTION (DUAL) | |||||
|
V I/O |
V core |
VID0 |
VID1 |
VID2 |
VID3 |
|
1.8v |
3.3v |
Open |
Open |
Open |
Pins 1 & 2 closed |
|
1.9v |
3.3v |
Open |
Open |
Open |
Pins 2 & 3 closed |
|
2.1v |
3.3v |
Pins 1 & 2 closed |
Pins 2 & 3 closed |
Open |
Open |
|
2.5v |
3.3v |
Pins 1 & 2 closed |
Pins 2 & 3 closed |
Pins 1 & 2 closed |
Open |
|
2.7v |
3.3v |
Pins 1 & 2 closed |
Pins 1 & 2 closed |
Pins 1 & 2 closed |
Open |
|
2.8v |
3.3v |
Pins 2 & 3 closed |
Pins 2 & 3 closed |
Pins 2 & 3 closed |
Open |
|
2.9v |
3.3v |
Pins 1 & 2 closed |
Pins 2 & 3 closed |
Pins 2 & 3 closed |
Open |
|
3.2v |
3.3v |
Pins 2 & 3 closed |
Pins 2 & 3 closed |
Pins 1 & 2 closed |
Open |