ASUS COMPUTER INTERNATIONAL
KN97-X
|
Processor |
Pentium II |
|
Processor Speed |
233/266MHz |
|
Chip Set |
Intel |
|
Video Chip Set |
None |
|
Maximum Onboard Memory |
384MB (EDO supported) |
|
Maximum Video Memory |
None |
|
Cache |
256/512KB (located on Pentium II CPU) |
|
BIOS |
Unidentified |
|
Dimensions |
305mm x 244mm |
|
I/O Options |
32-bit PCI slots (5), CD-ROM audio in (3), floppy drive interface, green PC connector, IDE interfaces (2), parallel port, PS/2 mouse port, serial ports (2), IR connector, USB connectors (2), ATX power connector. game/MIDI port, microphone in, line in, line out, CPU Slot 1 |
|
NPU Options |
None |
|
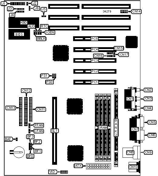
CONNECTIONS | |||
|
Purpose |
Location |
Purpose |
Location |
|
ATX power connector |
ATX |
IDE interface 1 |
CN13 |
|
CPU fan |
CFAN |
Modem connector |
CN14 |
|
Game/MIDI port |
CN1 |
Mitsumi CD-ROM audio in |
CN15 |
|
Microphone in |
CN2 |
Sony CD-ROM audio in |
CN16 |
|
Line in |
CN3 |
Panasonic CD-ROM audio in |
CN17 |
|
Line out |
CN4 |
Front panel connector |
J1 |
|
Serial port 2 |
CN5 |
IDE interface LED |
J2 |
|
Serial port 1 |
CN6 |
IR connector |
J3 |
|
Parallel port |
CN7 |
Volume control connector |
J4 |
|
USB connector 1 |
CN8 |
Chassis alarm |
J5 |
|
USB connector 2 |
CN9 |
Chassis fan power |
J6 |
|
PS/2 mouse port |
CN10 |
Power fan |
PFAN |
|
Floppy drive interface |
CN11 |
32-bit PCI slots |
PC1 – PC5 |
|
IDE interface 2 |
CN12 |
CPU Slot 1 |
SL1 |
|
USER CONFIGURABLE SETTINGS | |||
|
Function |
Label |
Position | |
|
» |
Factory configured - do not alter |
AUD |
Unidentified |
|
» |
Battery test normal operation |
BAT |
Closed |
|
Battery test test mode |
BAT |
Open | |
|
» |
Flash BIOS write protect disabled |
BBLK |
Pins 1 & 2 closed |
|
Flash BIOS write protect enabled |
BBLK |
Pins 2 & 3 closed | |
|
» |
On board I/O enabled |
IOEN |
Pins 1 & 2 closed |
|
On board I/O disabled |
IOEN |
Pins 2 & 3 closed | |
|
» |
CMOS memory normal operation |
RTC |
Pins 2 & 3 closed |
|
CMOS memory clear |
RTC |
Pins 1 & 2 closed | |
|
» |
Factory configured - do not alter |
VID |
Unidentified |
|
DIMM/DRAM CONFIGURATION | |||
|
Size |
Bank 0 |
Bank 1 |
Bank 2 |
|
8MB |
(2) 1M x 36 |
None |
None |
|
8MB |
None |
None |
(1) 1M x 64 |
|
16MB |
(2) 2M x 36 |
None |
None |
|
16MB |
(2) 1M x 36 |
(2) 1M x 36 |
None |
|
16MB |
None |
None |
(1) 2M x 64 |
|
16MB |
(2) 1M x 36 |
None |
(1) 1M x 64 |
|
24MB |
(2) 2M x 36 |
(2) 1M x 36 |
None |
|
24MB |
(2) 1M x 36 |
None |
(1) 2M x 64 |
|
24MB |
(2) 2M x 36 |
None |
(1) 1M x 64 |
|
32MB |
(2) 4M x 36 |
None |
None |
|
32MB |
(2) 2M x 36 |
(2) 2M x 36 |
None |
|
32MB |
None |
None |
(1) 4M x 64 |
|
DIMM/DRAM CONFIGURATION (CON’T) | |||
|
Size |
Bank 0 |
Bank 1 |
Bank 2 |
|
32MB |
(2) 2M x 36 |
None |
(1) 2M x 64 |
|
40MB |
(2) 4M x 36 |
(2) 1M x 36 |
None |
|
40MB |
(2) 1M x 36 |
None |
(1) 4M x 64 |
|
40MB |
(2) 4M x 36 |
None |
(1) 1M x 64 |
|
48MB |
(2) 4M x 36 |
(2) 2M x 36 |
None |
|
48MB |
(2) 2M x 36 |
None |
(1) 4M x 64 |
|
48MB |
(2) 4M x 36 |
None |
(1) 2M x 64 |
|
64MB |
(2) 8M x 36 |
None |
None |
|
64MB |
(2) 4M x 36 |
(2) 4M x 36 |
None |
|
64MB |
None |
None |
(1) 8M x 64 |
|
64MB |
(2) 4M x 36 |
None |
(1) 4M x 64 |
|
72MB |
(2) 8M x 36 |
(2) 1M x 36 |
None |
|
72MB |
(2) 1M x 36 |
None |
(1) 8M x 64 |
|
72MB |
(2) 8M x 36 |
None |
(1) 1M x 64 |
|
80MB |
(2) 8M x 36 |
(2) 2M x 36 |
None |
|
80MB |
(2) 2M x 36 |
None |
(1) 8M x 64 |
|
80MB |
(2) 8M x 36 |
None |
(1) 2M x 64 |
|
96MB |
(2) 8M x 36 |
(2) 4M x 36 |
None |
|
96MB |
(2) 4M x 36 |
None |
(1) 8M x 64 |
|
96MB |
(2) 8M x 36 |
None |
(1) 4M x 64 |
|
128MB |
(2) 16M x 36 |
None |
None |
|
128MB |
(2) 8M x 36 |
(2) 8M x 36 |
None |
|
128MB |
(2) 8M x 36 |
None |
(1) 8M x 64 |
|
136MB |
(2) 16M x 36 |
None |
(1) 1M x 64 |
|
144MB |
(2) 16M x 36 |
None |
(1) 2M x 64 |
|
144MB |
(2) 16M x 36 |
(2) 2M x 36 |
None |
|
160MB |
(2) 16M x 36 |
None |
(1) 4M x 64 |
|
160MB |
(2) 16M x 36 |
(2) 4M x 36 |
None |
|
192MB |
(2) 16M x 36 |
None |
(1) 8M x 64 |
|
192MB |
(2) 16M x 36 |
(2) 8M x 36 |
None |
|
256MB |
(2) 16M x 36 |
(2) 16M x 36 |
None |
|
384MB |
(2) 16M x 36 |
(2) 16M x 36 |
(1) 16M x 64 |
|
Note: Board accepts EDO memory. The location of banks 0 & 1 is unidentified. | |||
|
CACHE CONFIGURATION |
|
Note: 256KB/512KB cache is located on the Pentium II CPU. |
|
CPU SPEED SELECTION | |||||
|
CPU speed |
Clock speed |
Multiplier |
FS0 |
FS1 |
BF0 |
|
233MHz |
66MHz |
3.5x |
2 & 3 |
1 & 2 |
Open |
|
266MHz |
66MHz |
4x |
2 & 3 |
1 & 2 |
Closed |
|
CPU SPEED SELECTION (CON’T) | |||||
|
CPU speed |
Clock speed |
Multiplier |
BF1 |
BF2 |
BF3 |
|
233MHz |
66MHz |
3.5x |
Open |
Closed |
Closed |
|
266MHz |
66MHz |
4x |
Closed |
Open |
Closed |