AUSTIN COMPUTER SYSTEMS
486/DX2 50E WINSTATION
|
Processor |
80486DX/80486DX2 |
|
Processor Speed |
25/33/50(internal)/50/66(internal)MHz |
|
Chip Set |
None |
|
Max. Onboard DRAM |
64MB |
|
Cache |
64/128/256KB (on external CPU card) |
|
BIOS |
AMI |
|
Dimensions |
330mm x 218mm |
|
I/O Options |
32-bit external CPU card slot |
|
NPU Options |
None |
|
CONNECTIONS | |||
|
Purpose |
Location |
Purpose |
Location |
|
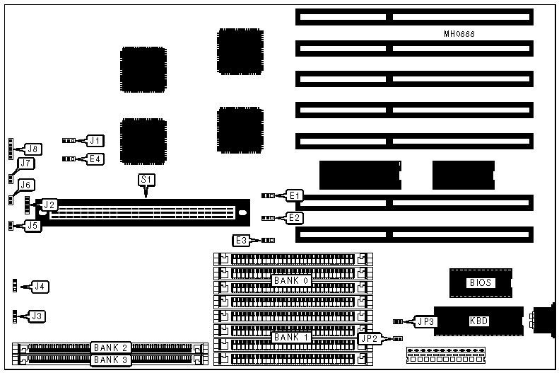
Speaker |
J2 |
Reset switch |
J7 |
|
Turbo LED |
J5 |
Power LED & keylock |
J8 |
|
Turbo switch |
J6 |
32-bit external CPU card |
S1 |
|
USER CONFIGURABLE SETTINGS | |||
|
Function |
Jumper |
Position | |
| » |
Factory configured - do not alter (on external CPU card) |
CE1 |
N/A |
| » |
Factory configured - do not alter (on external CPU card) |
CE2 |
N/A |
| » |
I/O recovery time disabled (normal) |
E1 |
pins 1 & 2 closed |
|
I/O recovery time enabled (slower) |
E1 |
pins 2 & 3 closed | |
| » |
Factory configured - do not alter |
E2 |
pins 2 & 3 closed |
| » |
Factory configured - do not alter |
E3 |
pins 1 & 2 closed |
| » |
System base memory size select 640KB |
J1 |
pins 1 & 2 closed |
|
System base memory size select 512KB |
J1 |
pins 2 & 3 closed | |
| » |
Monitor type select color |
JP2 |
Closed |
|
Monitor type select monochrome |
JP2 |
Open | |
| » |
Factory configured - do not alter |
JP3 |
pins 1 & 2 closed |
|
DRAM CONFIGURATION | ||||
|
Size |
Bank 0 |
Bank 1 |
Bank 2 |
Bank 3 |
|
4MB |
(4) 1M x 9 |
NONE |
NONE |
NONE |
|
8MB |
(4) 1M x 9 |
(4) 1M x 9 |
NONE |
NONE |
|
12MB |
(4) 1M x 9 |
(4) 1M x 9 |
(1) 1M x 36 |
NONE |
|
16MB |
(4) 1M x 9 |
(4) 1M x 9 |
(1) 1M x 36 |
(1) 1M x 36 |
|
16MB |
(4) 4M x 9 |
NONE |
NONE |
NONE |
|
20MB |
(4) 4M x 9 |
(4) 1M x 9 |
NONE |
NONE |
|
24MB |
(4) 4M x 9 |
(4) 1M x 9 |
(1) 1M x 36 |
NONE |
|
32MB |
(4) 4M x 9 |
(4) 4M x 9 |
NONE |
NONE |
|
40MB |
(4) 4M x 9 |
(4) 4M x 9 |
(1) 1M x 36 |
(1) 1M x 36 |
|
48MB |
(4) 4M x 9 |
(4) 4M x 9 |
(4) 4M x 9 |
NONE |
|
64MB |
(4) 4M x 9 |
(4) 4M x 9 |
(4) 4M x 36 |
(4) 4M x 36 |
|
DRAM JUMPER CONFIGURATION | ||
|
Size |
J3 |
J4 |
|
4MB |
pins 2 & 3 closed |
pins 2 & 3 closed |
|
8MB |
pins 2 & 3 closed |
pins 2 & 3 closed |
|
12MB |
pins 2 & 3 closed |
pins 2 & 3 closed |
|
16MB |
pins 2 & 3 closed |
pins 2 & 3 closed |
|
16MB |
pins 1 & 2 closed |
pins 1 & 2 closed |
|
20MB |
pins 1 & 2 closed |
pins 1 & 2 closed |
|
24MB |
pins 2 & 3 closed |
pins 1 & 2 closed |
|
32MB |
pins 1 & 2 closed |
pins 1 & 2 closed |
|
40MB |
pins 2 & 3 closed |
pins 1 & 2 closed |
|
48MB |
pins 1 & 2 closed |
pins 1 & 2 closed |
|
64MB |
pins 1 & 2 closed |
pins 1 & 2 closed |
|
CACHE CONFIGURATION | ||
|
Size |
Bank 0 |
Bank 1 |
|
64KB |
(5) 8K x 8 |
(5) 8K x 8 |
|
128KB |
(5) 32K x 8 |
NONE |
|
256KB |
(5) 32K x 8 |
(5) 32K x 8 |
|
CACHE JUMPER CONFIGURATION | |||||
|
Size |
SR1 |
SR2 |
SR3 |
SR4 |
SR5 |
|
64KB |
1 & 2 |
1 & 2 |
1 & 2 |
1 & 2 |
1 & 2 |
|
128KB |
2 & 3 |
1 & 2 |
1 & 2 |
2 & 3 |
1 & 2 |
|
256KB |
2 & 3 |
2 & 3 |
2 & 3 |
2 & 3 |
2 & 3 |
|
Note: Pins designated should be in the closed position. | |||||
|
CACHE JUMPER CONFIGURATION (CON’T) | |||||
|
Size |
SR6 |
SR7 |
SR8 |
SR9 |
SR10 |
|
64KB |
1 & 2 |
1 & 2 |
1 & 2 |
1 & 2 |
1 & 2 |
|
128KB |
1 & 2 |
1 & 2 |
2 & 3 |
1 & 2 |
2 & 3 |
|
256KB |
2 & 3 |
2 & 3 |
2 & 3 |
2 & 3 |
2 & 3 |
|
Note: Pins designated should be in the closed position. | |||||