TEKNOR INDUSTRIAL COMPUTERS, INC.
TEK-857
|
Card Type |
Serial Expansion card |
|
Chip Set |
Unidentified |
|
I/O Options |
Serial ports (3), PC/104 connectors (2) |

|
CONNECTIONS |
|||
|
Function |
Label |
Function |
Label |
|
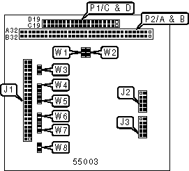
Serial port A, B, C, D connector |
J1 |
16-bit PC/104 connector |
P1/C & D |
|
Serial port E connector |
J2 |
8-bit PC/104 connector |
P2/A & B |
|
Serial port F connector |
J3 |
|
|
|
COM B TERMINATION RESISTOR SETTINGS |
||
|
Function |
Label |
Position |
|
CH.A termination enabled |
W3 |
Closed |
|
CH.A termination disabled |
W3 |
Open |
|
CH.B termination enabled |
W4 |
Closed |
|
CH.B termination disabled |
W4 |
Open |
|
COM C TERMINATION RESISTOR SETTINGS |
||
|
Function |
Label |
Position |
|
CH.A termination enabled |
W6 |
Closed |
|
CH.A termination disabled |
W6 |
Open |
|
CH.B termination enabled |
W5 |
Closed |
|
CH.B termination disabled |
W5 |
Open |
|
COM D TERMINATION RESISTOR SETTINGS |
||
|
Function |
Label |
Position |
|
CH.A termination enabled |
W8 |
Closed |
|
CH.A termination disabled |
W8 |
Open |
|
CH.B termination enabled |
W7 |
Closed |
|
CH.B termination disabled |
W7 |
Open |
|
BASE I/O ADDRESS SELECTION |
|||||||
|
Alternate |
COM A |
COM B |
COM C |
COM D |
COM E |
COM F |
W1 |
|
398h |
2E8h |
258h |
3E8h |
338h |
298h |
3B8h |
» Open |
|
4D8h |
438h |
478h |
418h |
458h |
498h |
4B8h |
Closed |
|
SERIAL PORT INTERRUPT SELECTION |
||||||
|
COM A |
COM B |
COM C |
COM D |
COM E |
COM F |
W2 |
|
IRQ11 |
IRQ15 |
IRQ10 |
IRQ9 |
IRQ11 |
IRQ11 |
» Open |
|
Disabled |
Disabled |
Disabled |
Disabled |
Disabled |
Disabled |
Closed |
|
Note: When the IRQ lines are enabled, COM A, COM E, and COM F share the same interrupt setting. |
||||||