STB SYSTEMS, INC.

FLASHCOM

Card Type

Multi-I/O

Chip Set

Unidentified

I/O Options

Parallel port, serial ports (2)

Maximum Onboard Memory

None

Data Bus

8-bit ISA

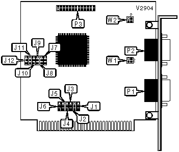
CONNECTIONS

Function

Label

Function

Label

Serial port 1

P1

Parallel port

P3

Serial port 2

P2

   

USER CONFIGURABLE SETTINGS

Setting

Label

Position

»

Parallel port uses IRQ7

J1

Pins 1 & 2 closed

 

Parallel port uses IRQ5

J1

Pins 2 & 3 closed

 

Parallel port is unidirectional

J6

Open

 

Parallel port is bidirectional

J6

Pins 2 & 3 closed

 

Pin 9 of serial port 1 is Ring Indicator

W1

Pins 1 & 2 closed

 

Pin 9 of serial port 1 is +5VDC

W1

Pins 3 & 4 closed

 

Pin 9 of serial port 2 is Ring Indicator

W2

Pins 1 & 2 closed

 

Pin 9 of serial port 2 is +5VDC

W2

Pins 3 & 4 closed

SERIAL PORT 1 ADDRESS

Setting

J7

J8

»

COM1: (3F8h)

Pins 1 & 2 closed

Pins 1 & 2 closed

 

COM2: (2F8h)

Pins 2 & 3 closed

Pins 1 & 2 closed

 

COM3: (3E8h)

Pins 1 & 2 closed

Pins 2 & 3 closed

 

Disabled

Pins 2 & 3 closed

Pins 2 & 3 closed

SERIAL PORT 2 ADDRESS

Setting

J9

J10

»

COM2: (2F8h)

Pins 1 & 2 closed

Pins 1 & 2 closed

 

COM3: (3E8h)

Pins 2 & 3 closed

Pins 1 & 2 closed

 

COM4: (2E8h)

Pins 1 & 2 closed

Pins 2 & 3 closed

 

Disabled

Pins 2 & 3 closed

Pins 2 & 3 closed

SERIAL PORT 1 INTERRUPT

Setting

J2

J3

 

IRQ2

Open

Pins 1 & 2 closed

 

IRQ3

Pins 1 & 2 closed

Open

»

IRQ4

Pins 2 & 3 closed

Open

 

IRQ5

Open

Pins 2 & 3 closed

SERIAL PORT 2 INTERRUPT

Setting

J4

J5

 

IRQ2

Open

Pins 1 & 2 closed

»

IRQ3

Pins 1 & 2 closed

Open

 

IRQ4

Pins 2 & 3 closed

Open

 

IRQ5

Open

Pins 2 & 3 closed

PARALLEL PORT ADDRESS

Setting

J11

J12

»

378h

Pins 1 & 2 closed

Pins 1 & 2 closed

 

278h

Pins 1 & 2 closed

Pins 2 & 3 closed

 

Disabled

Pins 2 & 3 closed

Pins 2 & 3 closed