MIRO COMPUTER PRODUCTS, INC.
MIROSOUND PCM1 PRO
|
Card Type |
Sound card |
|
Chip Set |
Yamaha |
|
Maximum Onboard Memory |
2MB |
|
I/O Options |
CD-ROM interface(3), CD-Audio interface (3), game port, IDE interface, MIDI port, microphone, speaker, line in |
|
Data Bus |
16-bit ISA |
|
Card Size |
Full-length, full-height card |
|
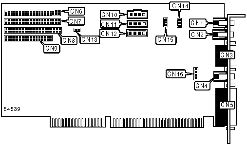
CONNECTIONS | |||
|
Function |
Label |
Function |
Label |
|
Microphone connector |
CN1 |
CD-ROM connector (Sony) |
CN9 |
|
Line in |
CN2 |
CD-Audio connector (Sony) |
CN10 |
|
MIDI connector (DB-9) |
CN3 |
CD-Audio connector (Mitsumi) |
CN11 |
|
Speaker connector |
CN4 |
CD-Audio connector (Panasonic) |
CN12 |
|
Game/MIDI connector |
CN5 |
MPC stereo loudspeaker output |
CN13 |
|
CD-ROM connector (Panasonic) |
CN6 |
Line in connector - internal |
CN14 |
|
CD-ROM connector (Mitsumi) |
CN7 |
Auxiliary in connector |
CN15 |
|
IDE connector |
CN8 |
PC Speaker connector |
CN16 |