CREATIVE LABS, INC.
VIBRA 16
|
Card Type |
Sound card |
|
Chip Set |
Unidentified |
|
Maximum Onboard Memory |
Unidentified |
|
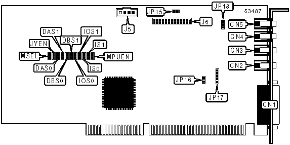
I/O Options |
Game/MIDI port, CD-ROM audio in (2), microphone in, line in, line out, speaker out, wavetable connector, PC speaker connector |
|
Data Bus |
16-bit ISA |
|
CONNECTIONS | |||
|
Function |
Label |
Function |
Label |
|
Game/MIDI port |
CN1 |
Line in |
CN5 |
|
Speaker out |
CN2 |
Audio in - CD-ROM |
J5 |
|
Line out |
CN3 |
Feature connector |
J6 |
|
Microphone in |
CN4 |
PC speaker connector |
JP15 |
|
USER CONFIGURABLE SETTINGS | |||
|
Function |
Label |
Position | |
| » |
Factory configured - do not alter |
JP16 |
Closed |
| » |
Factory configured - do not alter |
JP17 |
Unidentified |
| » |
Factory configured - do not alter |
JP18 |
Unidentified |
| » |
MPU I/O address 330h |
MSEL |
Closed |
|
MPU I/O address 300h |
MSEL |
Open | |
| » |
MPU-401 enabled |
MPUEN |
Closed |
|
MPU-401 disabled |
MPUEN |
Open | |
| » |
Joystick enabled |
JYEN |
Closed |
|
Joystick disabled |
JYEN |
Open | |
|
BASE I/O ADDRESS | |||
|
Setting |
IOS0 |
IOS1 | |
| » |
220h |
Closed |
Closed |
|
240h |
Open |
Closed | |
|
260h |
Closed |
Open | |
|
280h |
Open |
Open | |
|
LOW DMA CHANNEL SELECTION | |||
|
Setting |
DAS0 |
DAS1 | |
|
DMA 0 |
Closed |
Closed | |
| » |
DMA 1 |
Open |
Closed |
|
DMA 3 |
Closed |
Open | |
|
Low DMA disabled |
Open |
Open | |
|
HIGH DMA CHANNEL SELECTION | |||
|
Setting |
DBS0 |
DBS1 | |
| » |
DMA 5 |
Closed |
Closed |
|
DMA 6 |
Open |
Closed | |
|
DMA 7 |
Closed |
Open | |
|
Low DMA selected |
Open |
Open | |
|
INTERRUPT SELECTION | |||
|
IRQ |
IS0 |
IS1 | |
|
2 |
Closed |
Closed | |
| » |
5 |
Open |
Closed |
|
7 |
Closed |
Open | |
|
10 |
Open |
Open | |