CREATIVE LABS, INC.
CD-ROM INTERFACE CARD (CT1810)
|
Card Type |
CD-ROM Interface Card |
|
Chip Set |
Unidentified |
|
Maximum Onboard Memory |
Unidentified |
|
I/O Options |
CD-ROM interfaces (2) |
|
Data Bus |
8-bit ISA |
|
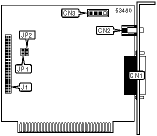
CONNECTIONS | |||
|
Function |
Label |
Function |
Label |
|
CD-ROM interface - Panasonic/MKE |
CN1 |
Audio in - CD-ROM (Panasonic) |
CN3 |
|
Line out |
CN2 |
CD-ROM interface |
J1 |
|
USER CONFIGURABLE SETTINGS | |||
|
Function |
Label |
Position | |
| » |
Interface I/O address 250h enabled |
JP1 |
Closed |
|
Interface I/O address 250h disabled |
JP1 |
Open | |
|
Interface I/O address 260h enabled |
JP1 |
Open | |
| » |
Factory configured - do not alter |
JP2 |
Open |