CENTRAL POINT SOFTWARE, INC.
COPY II PC DELUXE OPTION BOARD
|
Card Type |
Floppy enhancer |
|
Chipset |
Central Point Software TransCopy 3 |
|
I/O Options |
Floppy drive daisy-chain ports |
|
Data Bus |
8-bit ISA |
|
Floppy Drives Supported |
Two 360KB, 720KB, 1.2MB, or 1.44MB drives |
|
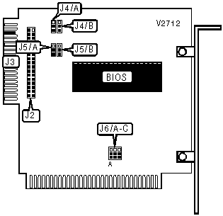
CONNECTIONS | |||
|
Function |
Label |
Function |
Label |
|
34-pin floppy drive connector |
J2 |
Card-edge floppy connector |
J3 |
|
DMA CHANNEL | ||||
|
Setting |
J6/A |
J6/B |
J6/C | |
|
DMA1 |
Pins 1 & 2 closed |
Pins 1 & 2 closed |
Pins 1 & 2 closed | |
| » |
DMA2 |
Pins 2 & 3 closed |
Pins 2 & 3 closed |
Pins 2 & 3 closed |
|
FLOPPY CONNECTOR CONFIGURATION | |||||
|
J2 |
J3 |
J4/A |
J4/B |
J5/A |
J5/B |
|
From controller |
To drive |
Pins 1 & 2 |
Pins 1 & 2 |
Pins 1 & 2 |
Pins 1 & 2 |
|
To drive |
From controller |
Pins 2 & 3 |
Pins 2 & 3 |
Pins 2 & 3 |
Pins 2 & 3 |
|
Note:Pins designated are in the closed position. | |||||