UNIDENTIFIED
SUPER I/O CONTROLLER CARD
|
| |
|
Data bus: |
16-bit, ISA |
|
Size: |
Full-length, full-height card |
|
Hard drive supported: |
Two IDE (AT) Interface drives |
|
Floppy drives supported: |
Two 360KB, 720KB, 1.2MB, or 1.44MB drives |
|
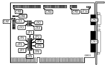
CONNECTIONS | |
|
Function |
Location |
|
2-pin connector - drive active LED |
CN1 |
|
16-pin game port - external |
CN2 |
|
40-pin IDE (AT) Interface connector |
CN3 |
|
34-pin control cable connector - floppy drive |
CN4 |
|
10-pin serial port (COM2/4) - internal |
CN5 |
|
10-pin serial port (COM1/3) - internal |
CN6 |
|
25-pin parallel port (LPT1/2) - external |
CN7 |
|
USER CONFIGURABLE SETTINGS | ||
|
Function |
Location |
Setting |
|
Game port enable |
JP1 |
Pins 1 & 2 closed |
|
Game port disable |
JP1 |
Pins 2 & 3 closed |
|
Hard disk enable |
JP2 |
Pins 1 & 2 closed |
|
Hard disk disable |
JP2 |
Pins 2 & 3 closed |
|
Floppy disk enable |
JP3 |
Pins 1 & 2 closed |
|
Floppy disk disable |
JP3 |
Pins 2 & 3 closed |
|
Serial port 1 - COM1 |
JP4 |
Pins 1 & 2 closed |
|
Serial port 1 - COM3 |
JP4 |
Pins 2 & 3 closed |
|
Serial port 1 enable |
JP5 |
Pins 1 & 2 closed |
|
Serial port 1 disable |
JP5 |
Pins 2 & 3 closed |
|
Serial port 2 - COM2 |
JP6 |
Pins 1 & 2 closed |
|
Serial port 2 - COM4 |
JP6 |
Pins 2 & 3 closed |
|
Serial port 2 enable |
JP7 |
Pins 1 & 2 closed |
|
Serial port 2 disable |
JP7 |
Pins 2 & 3 closed |
|
Parallel port - LPT2 |
JP8 |
Pins 1 & 2 closed |
|
Parallel port - LPT3 |
JP8 |
Pins 2 & 3 closed |
|
Parallel port enable |
JP9 |
Pins 1 & 2 closed |
|
Parallel port disable |
JP9 |
Pins 2 & 3 closed |
|
IOCHRDY - disable |
JP10 |
Closed |
|
IOCHRDY - enable |
JP10 |
Open |
|
HDC Installed |
JX1 |
Pins 1 & 2 closed |
|
HDC Not Installed |
JX1 |
Pins 2 & 3 closed |
|
IDE type XT |
JX2 |
Pins 1 & 2 closed |
|
IDE type AT |
JX2 |
Pins 2 & 3 closed |
|
Primary hard disk address - 1F0-1F7H, 3F6H, 3F7H |
JX3 |
Pins 1 & 2 closed |
|
Secondary hard disk address - 170-177h, 376h, 377h |
JX3 |
Pins 2 & 3 closed |
|
Primary floppy address - 3F2-3F5h, 3F7, 1F7h |
JX4 |
Pins 1 & 2 closed |
|
Secondary floppy address - 372-375h, 377h, 177h |
JX4 |
Pins 2 & 3 closed |